Skip to main content

NEMA 23 Stepper Motor

NEMA 23 is a stepper motor with a 2.3×2.3 inch (58.4×58.5 mm) faceplate and 1.8° step angle (200 steps/revolution). Each phase draws 2.8 A at 3.2 V, allowing for a holding torque of 19 kg-cm. NEMA 23 Stepper motor is generally used in Printers, CNC machine, Linear actuators and hard drives.

 

Pin Configuration

NO.

    Pin Name

Wire

Colour

Description

1

Wire 1

Black

 

This motor has four wires terminated with bare leads: Black and Green connected to one coil; Red and Blue connected to other.  

2

Wire 2

Green

3

Wire 3

Blue

4

wire 4

        Red

 

NEMA 23 Stepper Motor Specifications

  • Voltage Rating: 3.2V
  • Current Rating: 2.8A
  • Holding Torque: 270 oz. in
  • Step Angle: 1.8 deg.
  • Steps Per Revolution: 200
  • No. of Phases: 4
  • Motor Length: 3.1 inches
  • No. of Leads: 4
  • Inductance Per Phase: 3.6mH

 

Note: The NEMA 23 stepper motor datasheet can be found at the bottom of the page.

 

Other Stepper motors

Nema 14, Nema 17, Nema 34, 28BYJ-48 Stepper Motor

 

Other Motors

DC Motor, 12V DC motor, Servo Motor, BLDC Motor

 

NEMA 23 Description

NEMA 23 is a high torque hybrid bipolar stepper motor with a 2.3×2.3 inch faceplate. This motor has a step angle of 1.8 deg., this means that it has 200 steps per revolution and for every step it will cover 1.8°. The motor has four colour coded wires (Black, Green, Red & Blue) terminated with bare leads. Black and Green wire is connected with one coil; Red and Blue is connected with other. This motor can be controlled by two H-bridges but it is recommended to use a stepper motor driver.

 

How to use NEMA 23 Stepper Motor

As mentioned above this stepper motor draws high current so instead of controlling it directly using H-bridges, use an appropriately powerful stepper motor driver. To know how to make this motor rotate we should look into the coil diagram below.

NEMA 23 Stepper Motor coil diagram

 

As you can see from above diagram this motor has four wires in different colours. This motor can be made to rotate only if the coils are energized in a logical sequence. This logical sequence can be programmed using a microcontroller or by designing a digital circuit.

 

Stepper Motor Applications

  • CNC machines
  • Precise control machines
  • 3D printer/prototyping machines (e.g. RepRap)
  • Laser cutters
  • Pick and place machines

 

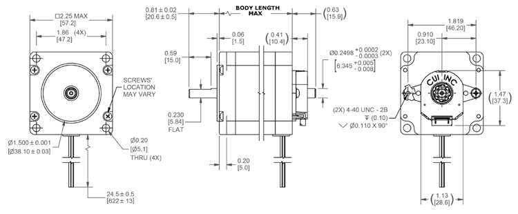
NEMA 23 Stepper Motor Dimensions

NEMA 23 Dimensions

Component Datasheet

Related Post



Join 20K+subscribers

We will never spam you.

* indicates required

Be a part of our ever growing community.