Skip to main content

28BYJ-48 - 5V Stepper Motor

The 28-BYJ48 Stepper Motors are one of the most commonly used stepper motors. You can find this or similar motors in your DVD drives, Motion camera and many more similar devices. The motor has a 4 coil unipolar arrangement and each coil is rated for +5V hence it is relatively easy to control with any basic microcontrollers.

 

28-BYJ48 Stepper Motor Pinout Configuration

No:

Pin Name

Wire Color

Description

1

Coil 1

Orange

This Motor has a total of four coils. One end of all the coils are connect to +5V (red) wire and the other end of each coil is pulled out as wire colors Orange, Pink, Yellow and Blue respectively

2

Coil 2

Pink

3

Coil 3

Yellow

4

Coil 4

Blue

5

+5V

Red

We should supply +5V to this wire, this voltage will appear across the coil that is grounded.

 

28BYJ-48 Stepper Motor Technical Specifications

  • Rated Voltage: 5V DC
  • Number of Phases: 4
  • Stride Angle: 5.625°/64
  • Pull in torque: 300 gf.cm
  • Insulated Power: 600VAC/1mA/1s
  • Coil: Unipolar 5 lead coil

Note: The 28BYJ48 stepper motor datasheet can be found at the bottom of the page

 

Other Stepper motors

Nema17 (1.6kgcm), Nema17 (4.2 kgcm), Nema23 motors

 

Other Motors

DC Motor, 12V DC motor, Servo Motor, BLDC Motor

 

Where to use 28-BYJ48 Stepper Motor

These kind of motors are commonly used in your DVD drives, Motion camera and other similar applications. The motor has a 4 coil unipolar arrangement and each coil is rated for +5V hence it is relatively easy to control with any basic microcontrollers. These motors has a stride angle of 5.625°/64, this means that the motor will have to make 64 steps to complete one rotation and for every step it will cover a 5.625° hence the level of control is also high. However, these motors run only on 5V and hence cannot provide high torque, for high torque application you should consider the Nema17 motors. So if you are looking for a compact easy to use stepper motor with decent torque then this motor is the right choice for you.

 

How to use 28-BYJ48 Stepper Motor

These stepper motors consume high current and hence a driver IC like the ULN2003 is mandatory. To know how to make this motor rotate we should look into the coil diagram below.

Stepper motor coil diagram

As we can see there are four coils in the motor and one end of all the coil is tied to +5V (Red) and the other ends (Orange, Pink, Yellow and Blue) are taken out as wires. The Red wire is always provided with a constant +5V supply and this +5V will be across (energize) the coil only if the other end of the coil is grounded. A stepper motor can be made to rotate only if the coils are energized (grounded) in a logical sequence. This logical sequence can be programmed using a microcontroller or by designing a digital circuit. The sequence in which each coil should be triggered is shown in the table below. Here “1” represent the coil is held at +5V, since both the ends of coil is at +5V (red and other end) the coil will not be energised. Similarly “0” represents the coil is held to ground, now one end will be +5V and the other one is grounded so the coil will be energised.

Motor Wire Color

Sequence to Rotate in clockwise Direction

Step 1

Step 2

Step 3

Step 4

Step 5

Step 6

Step 7

Step 8

Orange

0

0

1

1

1

1

1

0

Yellow

1

0

0

0

1

1

1

1

Pink

1

1

1

0

0

0

1

1

Blue

1

1

1

1

1

0

0

0

Red

1

1

1

1

1

1

1

1

 

Stepper Motor Applications

  • CNC machines
  • Precise control machines
  • Security cameras
  • DVD Players
  • Car side mirror tilt

 

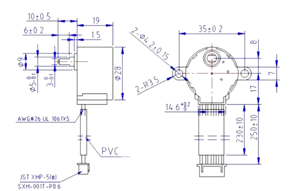
28BYJ-48 Dimensions

28-BYJ48 dimensions

Related Post


Comments

Comment
настоящий приворот - как я заказывала магически приворот у chermagrom@yandex.ru Я обратилась за помощью к магу chermagrom@yandex.ru, заказывая любовный приворот на мужа через электронную почту, и не могла быть счастливее с результатом. Маг профессионально подошел к моей ситуации, проявив глубокое понимание и заботу. Результаты приворота превзошли мои ожидания, и я видела положительные изменения в отношениях с мужем уже через короткое время. Благодаря магу, мы снова на пути к счастью вместе! -как сделать приворот на месячные -белый приворот на расстоянии -заказывала приворот у chermagrom@yandex.ru -привязка человека -привязка человека -бинарный приворот

Join 20K+subscribers

We will never spam you.

* indicates required

Be a part of our ever growing community.