Skip to main content

NEMA 17 Stepper Motor

NEMA 17 is a hybrid stepping motor with a 1.8° step angle (200 steps/revolution). Each phase draws 1.2 A at 4 V, allowing for a holding torque of 3.2 kg-cm. NEMA 17 Stepper motor is generally used in Printers, CNC machines and Laser Cutters.

 

Pin Configuration

NO.

Pin Name

Wire

Colour

Description

1

Coil 1

Black

 

This motor has six wires, connected to two split windings. Black, Yellow, Green wires is part of first winding while Red, White and Blue is part of second winding.

2

Coil 2

Yellow

3

Coil 3

Green

4

Coil 4

        Red

5

Coil 5

White

6

Coil 6

Blue

 

NEMA 17 Stepper Motor Technical Specifications

  • Rated Voltage: 12V DC
  • Current: 1.2A at 4V
  • Step Angle: 1.8 deg.
  • No. of Phases: 4
  • Motor Length: 1.54 inches
  • 4-wire, 8 inch lead
  • 200 steps per revolution, 1.8 degrees
  • Operating Temperature: -10 to 40 °C
  • Unipolar Holding Torque: 22.2 oz-in

 

Note: The NEMA17 stepper motor datasheet can be found at the bottom of the page.

 

Other Stepper motors

Nema23, Nema34, 28BYJ-48 Stepper Motor

 

Other Motors

DC Motor, 12V DC motor, Servo Motor, BLDC Motor

 

Where to use NEMA 17 Stepper Motor

NEMA17 Stepper Motor is commonly used in CNC machines, Hard Drives and Linear Actuators. The motor have 6 lead wires and rated voltage is 12 volt. It can be operated at lower voltage but torque will drop. These motors has a step angle of 1.8 deg., this means that it has 200 steps per revolution for every step it will cover a 1.8° hence the level of control is also high. These motors run on 12V and hence can provide high torque. So if you are looking for a compact easy to use stepper motor with high torque then this motor is the right choice for you.

 

How to use 28-BYJ48 Stepper Motor

These stepper motors consume high current and hence a driver IC like the A4988 is mandatory. To know how to make this motor rotate we should look into the coil diagram below.

Internal Diagram of NEMA17 Stepper Motor

 

The motor has six wires, connected to two split windings as is common for unipolar stepper motors. Black, Yellow, Green wires is part of first winding where Black is centre tap and Yellow and Green are coil end while Red, White and Blue is part of second winding in which White is centre tap and Red and Blue are coil end wires. In use, the centre taps of the windings (Black and White) are typically wired to the positive supply, and the two ends of each winding are alternately grounded through a drive circuit. As shown in the wiring diagram the order of the stator poles in the motor is A, B, A’, B’.

 

Stepper Motor Applications

  • CNC machines
  • Precise control machines
  • 3D printer/prototyping machines (e.g. RepRap)
  • Laser cutters
  • Pick and place machines

 

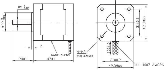
NEMA17 Dimensions

NEMA17 Stepper Motor 2D-Model

Component Datasheet

Related Post



Join 20K+subscribers

We will never spam you.

* indicates required

Be a part of our ever growing community.