Skip to main content

MA112AS16 USB to UART Data Bridge Controller

The MA112AS16 is a USB to UART controllers, developed by Megawin Technology Co. At its core, this device functions as a bridge between USB interfaces, presenting itself as a standard virtual COM port. It integrates a USB 2.0 full-speed function controller, USB transceiver and 5V to 3.3V regulator.  It also has a built-in oscillator, which eliminates the need for an external oscillator. It Also features UPD/nUPD pins for indicating power down status. The MA112 supports wide range of operating voltages 3.0-3.6v and 4.2-5.5V. It is available in two different packages – SOP16 and QFN16(4x4).

 

MA112AS16 Pinout Configuration

Pin Name

PIN NUMBER

I/O Type

DESCRIPTION

 

SOP16

QFN16

   

RXD

7

5

I

* RXD: UART receive data output.

TXD

8

6

O

* TXD: UART transmit data output.

UPD

11

9

O

* UPD. USB bus power down (suspend) indicator, High active output.

nUPD

1

15

O

* nUPD. USB bus power down (suspend) indicator, Low active output.

NC

9, 10,

7, 8

--

* NC : No Connection.

 

12, 13,

10, 11

   
 

14, 15

12, 13

   
 

16

14

   

DP

4

2

I/O

* DP: USB DP(D+) pin.

DM

3

1

I/O

* DM: USB DM(D-) pin.

VDD

5

3

P

Power supply input.

VSS

2

16

G

Ground, 0 V reference.

V33

6

4

P

On-chip 3.3V regulator output.

 

 

Features

  • USB to Interface
    • Standard USB Virtual COM Port device
    • USB Full speed (12Mbps) operation and USB specification 2.0 compliant
    • Built-in USB transceiver and 3.3V regulator
    • Integrated clock recovery, no external crystal required.
    • USB suspend states reported via UPD/nUPD pins.
    • Windows standard driver
  • UART Interface
    • 8-bit data format
    • Parity: odd, even, mark, space and no parity
    • Stop bits: 1 and 2
    • Baud Rate: 110, 300, 600, 1200, 2400, 4800, 7200, 9600, 14400, 19200, 28800, 38400, 57600, 115200 and 230400
    • Line Break detection and transmission
    • Support multi-processor communication.
  • Operating voltage range: 4.2V – 5.5V or 3.0V – 3.6V
  • Operating Temperature: Industrial (-40°C to +85°C)*
  • Package Types:
    • SOP16: MA112AS16
    • QFN16 (4x4): MA112AY16

 

Other Popular USB to UART Controllers

FT232, FT230XCP2102, CH340G/C, PL2303HX

Note: Complete technical details can be found in the MA112 datasheet at this page’s end.

 

MA112 Application Block Diagram

MA112 Application Diagram

 

MA112 Application Circuit Diagram

The following image shows the typical application circuit for the MA112AS16.

MA112 Application Circuit Diagram

As you can see the MA112 doesn’t require a lot of external components. Only the bypass capacitors are enough for it to work properly.

 

Applications

  • Standalone USB hub
  • NB / Tablet / Motherboard / Docking Station
  • Gaming console
  • LCD monitor hub
  • Any compound device to support USB hub function.

 

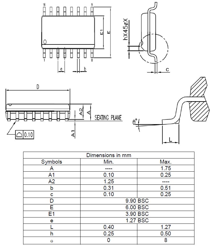
2D-Model and Dimensions

Below is the 2D CAD drawing of MA112AS16 in SOP16 package along with its dimensions in millimetres. The dimensions can be used to create custom footprints of the module and be used for PCB or CAD modeling. For other package dimensions please refer the datasheet at this page’s end.

MA112 2D Model and Dimensions

Component Datasheet

Related Post



Join 20K+subscribers

We will never spam you.

* indicates required

Be a part of our ever growing community.