Skip to main content

BD140 General Purpose PNP Epitaxial Silicon Transistor

The BD140 is a PNP Epitaxial Planar Transistor that is mounted in the SOT-32 plastic package. They are designed for audio amplifiers and drivers utilizing complementary or quasi-complementary circuits. The NPN complement is BD139 and this transistor comes with a VCE of -80V and a continuous collector current of -1.5A. It can be used as a small signal switching transistor. Moreover, it has a low base voltage of -5V.

 

BD140 Pinout Configuration

Pin Number

Pin Name

Pin Description

1

Emitter

Current Drains out through emitter, normally connected to ground

2

Collector

Current flows in through collector, normally connected to load

3

Base

Controls the biasing of the transistor, used to turn ON or OFF the transistor.

 

Features and Specifications

  • Bi-Polar PNP Transistor
  • Continuous Collector current (IC) is -1.5A
  • Collector-Emitter voltage (VCE) is- 80 V
  • Collector-Base voltage (VCB) is- 80V
  • Base Current (Ib) is -0.5A
  • Emitter Base Breakdown Voltage (VBE) is -5V
  • DC current gain (hfe) is 40 to 160
  • Available in To-225 and SOT-32 Package
  • Collector Dissipation: 12.5 W
  • Operating Junction Temperature Max (Tj): 150°C

 

Note: Complete Technical Details can be found in the BD140 datasheet given at the end of this page.

 

BD140 Equivalent Transistors

BD139, BD136, BD138, D882

 

Overview of BD140 Transistor

The BD140 transistor is a very versatile transistor that can be used in many different applications. This is a PNP transistor hence its collector and emitter will be left open when a positive voltage is applied to the base of the transistor, and it will close when no voltage is present on the base.

The Beta value of this transistor can be anywhere between 40 to 160, this parameter determines the amplification factor of the device, the max rated current for this transistor is 1.5A. So we can connect a load up to 1.5A but we do need to consider the power rating and the temperature. This transistor has a maxim base-emitter voltage of 5V that means it can be suitably used for logic level application in embedded system.

When this transistor is in a biased condition, it can allow a maximum of 1.5A through its emitter-collector junction, this state of the device is called the saturation state, flowing more current than 1.5A can damage the device. When the base current is removed the transistor becomes fully off, this stage is called the Cut-off Region so no current flows through the device. The BD140 was originally manufactured by Phillips rated at 160MHz for specific audio applications, later they were cloned by other manufacturers like Samsung, ST, ON Semi, etc.

 

How to use BD140 Transistor

Transistors are current-controlled devices so to turn them on a little current is needed. For the BD140 Transistor, this base current is less than 10mA, as BD140 is a PNP transistor that means it will be on when the base is connected to the ground, and it will be off when a positive voltage is applied to the base of the transistor.

The simulated circuit below shows how this transistor behaves when the base of the basic circuit is connected to the ground and when it's connected to 12V of the power supply.

BD140 Transistor Circuit Diagram

When we turn on the transistor by connecting the base to the ground the transistor will remain on unless the voltage at the base of the transistor reaches more than the base turn-off voltage, for this transistor, it is somewhere in between 0.7 -0.9V. The base of the transistor cannot be left floating otherwise there could be false triggering, which may lead to issues in the circuit. To resolve this issue, we need to add pullup resistors as shown in the example, a 10K resistor is used to pull up the base of the transistor to VCC.

 

Applications

  • Moderate Current switching applications
  • High Current Relay Driver
  • Microphone preamplifiers
  • Lighting systems
  • Audio Amplifiers
  • Medium Power Linear and switching
  • Signal Amplifiers

 

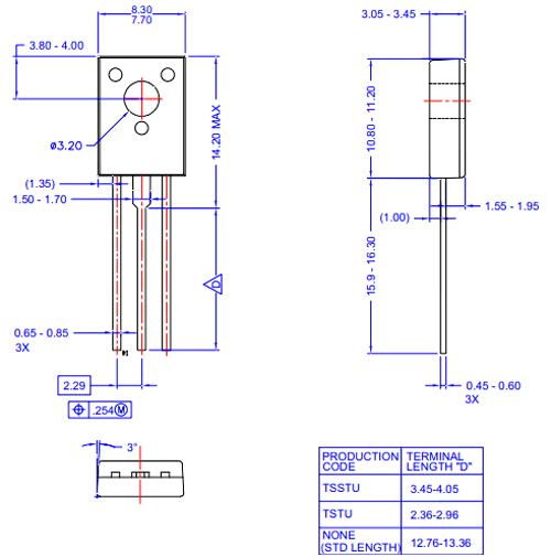
2D Model and Dimensions

If you are designing a PCB or Perf board with this component, then the following picture from the Datasheet will be useful to know its package type and dimensions. 

BD140 Transistor Dimensions

Component Datasheet

Related Post



Join 20K+subscribers

We will never spam you.

* indicates required

Be a part of our ever growing community.