Skip to main content

D882 Medium Power NPN Transistor

The D882 is a medium power NPN transistor that features a high collector-emitter breakdown voltage and medium current carrying capability. It can also be mounted on a heatsink using the screw hole in the SOT-32 package.

 

D882 Pinout Configuration

Pin Number

Pin Name

Pin Description

1

Base

Current through this terminal controls conduction between collector and emitter

2

Collector

Current flows into this terminal

3

Emitter

Current flows out of this terminal

 

Features and Specifications

  • High current and voltage capability (30V, 3A)
  • Low saturation voltage
  • Complement to B772

 

Note: Complete technical details can be found in the D882 datasheet linked at the end of this page.

 

D882 Equivalent

TIP31, BD679, BD136

Other NPN Transistors

2N2222, 2N5551, TIP31

 

How To Use D882

The D882 is an NPN transistor that is capable of handling voltages up to 30V and currents up to 3A, with a 6A peak for pulses less than 5ms.

Two applications of the D882 are shown in the figure below.

D882 Transistor Circuit Diagram

The first application is as a switch. Here, the emitter is grounded, and the collector is connected to one end of the load. The other end of the load is connected to the supply. In the case of inductive loads, a flyback diode is placed anti-parallel to the load to prevent voltage spikes from damaging the transistor. A base resistor is also added to limit the base current. A small capacitor added across the base resistor aids in fast turn-off. The second application is in a class AB amplifier. The output follows the input. The PNP transistor is the B772, complement to the D882.

 

Applications 

  • Voltage regulation
  • Relay driver
  • Generic switch
  • Audio power amplifier
  • DC-DC converter

 

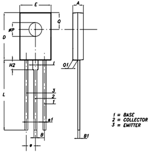
2D Model and Dimensions

If you are designing a PCB or Perf board with this component then the following picture from the Datasheet will be useful to know its package type and dimensions.

D882 Transistor Dimensions

D882 Mechanical Data

Component Datasheet

Related Post



Join 20K+subscribers

We will never spam you.

* indicates required

Be a part of our ever growing community.