Skip to main content

BC638 General Purpose PNP Transistor

The BC638 is a PNP Transistor in a TO-92 package that has a VCE of -60V and a continuous collector current of 1A. With this characteristic and 1W total power dissipation, this transistor can be used in moderately high voltage switching applications.

 

BC638 Transistor Pinout Configuration

Pin Number

Pin Name

Description

1

Emitter

Electrons emitted from the emitter into the first PN junction 

2

Collector

Electrons Emitted from Emitter Collected by the Collector

3

Base

Controls the biasing of the transistor

 

Features & Specifications

  • Bi-Polar PNP, high voltage Transistor
  • DC Current Gain (hFE) is 160 maximum
  • Continuous Collector current (IC) is 1A
  • Emitter Base Voltage (VBE) is -5V
  • Base Current (IB) is -100mA maximum
  • Maximum Collector-Base Voltage |Vcb|: 50 V
  • Collector Dissipation: 1 W
  • Transition Frequency:100 MHz
  • Collector Capacitance 20pF
  • Operating Junction Temperature Max (Tj): 150 °C
  • Available in TO-92 Package

 

Note: Complete technical details can be found in the BC638 datasheet given at the end of this page.

 

BC638 Equivalent Transistor

BC557, BC558, BC559, BC108, NTE159M, BC107, MMBT3904

 

General Description of BC638 Transistor

The BC638 transistor is a very versatile transistor that can be used in many different applications. This transistor can be used where you want to switch moderately high voltage devices, like the pre or mid amplifier stage of a power amplifier. Generally, a power amplifier uses something like 60 to 120V DC and this transistor can be useful for this kind of application. This component is cheap and easy to work with, so it is best suited when choosing a random switching device. When this transistor is in a biased condition, then it can allow a maximum current of 1A across CE(Collector-Emitter) Junction, this state of the transistor is called the saturation state, and driving a load that consumes more current than 1A may damage the device permanently. Also during the design process, you need to be aware that the maximum dissipation of this device is 1W, power more than that can damage the device.

Under normal circumstances and without external influence there will be a positive voltage appearing at the base of the PNP transistor. As we all know, based on the working principle of a PNP transistor; having a positive voltage at the base puts a PNP transistor in a high resistance state. By characteristic a small amount of current needs to flow out of the base of the transistor to completely turn on the device, for this device you can see, in order to flow 1000mA of current through the collector to the emitter, 50mA of current is needed to flow through the base of the transistor.

 

How to use BC638 Transistor

Transistors are current-controlled devices so to turn them on a little current is needed. For the BC638 Transistor, this base current is less than 50mA, as BC638 is a PNP transistor that means it will be on when the base is connected to the ground, and it will be off when a positive voltage is applied to the base of the transistor.

The simulated circuit below shows how this transistor behaves when the base of the basic circuit is connected to the ground and when it's connected to 5V of the power supply.

BC638 Transistor Circuit Diagram

When we turn on the transistor by connecting the base to the supply, the transistor will remain on unless the voltage at the base of the transistor reaches less than the cut-off voltage of the transistor that is 0.7-0.9V. The base of the transistor cannot be left floating otherwise there could be false triggering, which may lead to issues in the circuit and to resolve the issue we need to add pulldown resistors as shown in the example, a 10K resistor is used to pull up the base of the transistor to VCC.

 

Applications

  • Simple switching applications
  • Microphone preamplifiers
  • Lighting systems
  • Relay drivers
  • Audio Amplifiers
  • Signal Amplifiers

 

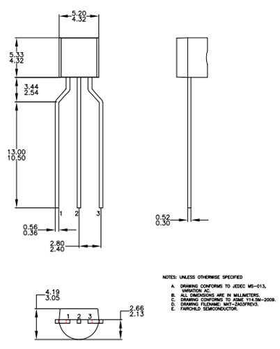
2D Model and Dimensions

If you are designing a PCB or Perf board with this component then the following picture from the Datasheet will be useful to know its package type and dimensions.

BC638 Transistor Dimensions

Component Datasheet

Related Post



Join 20K+subscribers

We will never spam you.

* indicates required

Be a part of our ever growing community.