Skip to main content

BC107 NPN Transistor

The BC107 is a small single NPN Transistor available in TO-18 metal can package. These transistors are age old and have been used in low noise and low signal designs. Today a lot new transistors have come as replacement for BC107, but still the transistor can be found in market for its legacy.  

 

Pin Configuration

Pin Number

Pin Name

Description

1

Emitter

Current Drains out through emitter, normally connected to ground

2

Base

Controls the biasing of transistor, Used to turn ON or OFF the transistor

3

Collector

Current flows in through collector, normally connected to load

 

Features

  • Small Signal NPN Transistor
  • Current Gain (hFE): 450 (maximum)
  • Continuous Collector current (IC) is 100mA 
  • Collector-Emitter voltage (VCEO) is 45V
  • Collector-Base voltage (VCB0) is 50V
  • Emitter Base Voltage (VBE0) is 6V
  • Available in To-18 Metal can Package

 

Note: Complete Technical Details can be found at the BC107 datasheet given at the end of this page.

 

Alternative NPN Transistors 

BC547, 2N3904

 

BC107 Equivalent 

BC549

 

PNP Complementary for BC107 

BC177 

 

Where to use BC107 Transistor

The BC107 is a low signal NPN which is known for its low noise operations making it famously used in signal processing circuits and television receivers. The transistor is still available in market due to its legacy but you will find better modern transistors as replacement for BC107.

 

Brief Description on BC107 Transistor

BC107 is a NPN transistor hence the collector and emitter will be left open (Reverse biased) when the base pin is held at ground and will be closed (Forward biased) when a signal is provided to base pin. BC107 has a gain value hfe of 50; this value determines the amplification capacity of the transistor. The maximum amount of current that could flow through the Collector pin is 100mA, hence we cannot connect loads that consume more than 100mA using this transistor. 

When this transistor is fully biased then it can allow a maximum of 100mA to flow across the collector and emitter. This stage is called Saturation Region. When base current is removed the transistor becomes fully off, this stage is called as the Cut-off Region.

 

 Applications

  • Driver Modules like Relay Driver, LED driver etc..
  • Amplifier modules like Audio amplifiers, signal Amplifier etc..
  •  Darlington pair

 

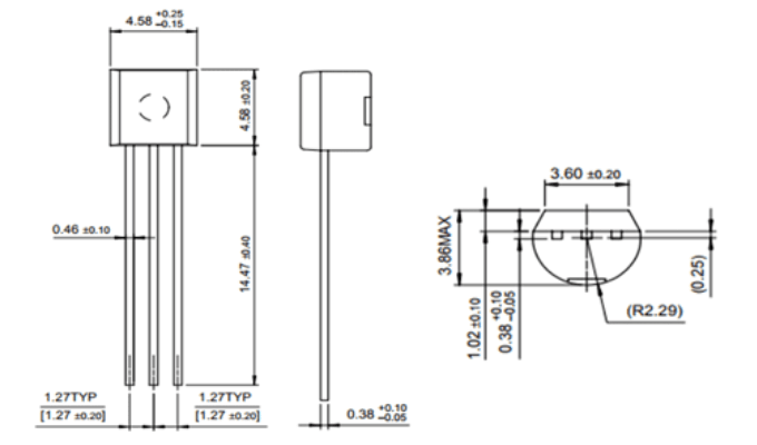
2D model of the component

If you are designing a PCD or Perf board with this component then the following picture from the Datasheet will be useful to know its package type and dimensions.

BC107 Dimensions

Component Datasheet

Related Post



Join 20K+subscribers

We will never spam you.

* indicates required

Be a part of our ever growing community.