Skip to main content

XL6009 PWM Switching Regulator (Buck-Boost)

The XL6009 is a Buck-Boost switching Regulator, meaning it takes in an Input Voltage and then switches it to produce a regulated output voltage which could be greater or lesser than the Input Voltage.

 

Pin Configuration

Pin Number

Pin Name

Description

1

Ground

Connect to system Ground

2

Enable Pin

Make pin High to turn on device and Low to turn off device. By default (floating) it is on.

3

Switch

Output pin – Switched Output Voltage

4

Input Voltage

Input Voltage range is from 3.6V to 36V

5

Feedback

Feedback voltage for output regulation through resistor divider.

 

Features

  • DC/DC Converter IC
  • Buck and Boost Operation
  • Output Voltage can be positive of Negative
  • Maximum Output Voltage: 42V
  • Input Voltage range: 3.6V to 36V
  • Output current: 5A (max)
  • Switching Frequency: 400KHz
  • Available in To-263 Package

Note: Complete Technical Details can be found at the XL6009 datasheet given at the end of this page.

 

XL6009 Equivalent

LT1070

 

Alternative Switching Regulators 

LM2596, TPS5430, MC34063

 

XL6009 Introduction

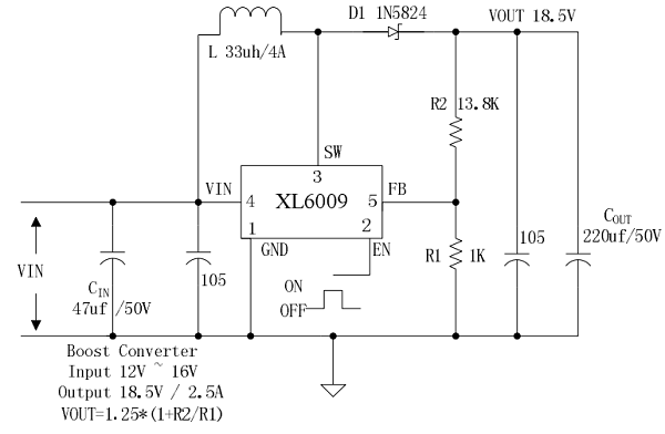
Apart from providing higher or lesser output voltage than input voltage, the XL6009 Buck-Boost switching Regulator can also provide negative output voltages making it suitable for many analog applications. The Regulator can work both in Current Mode and DC/DC Converter mode and can be configured to work as Boost, Buck, Buck-Boost, Flyback, SEPIC or even as an inverting converter. A sample application circuit to make it work as boost converter is given below.

Circuit

The input voltage to be regulated is provided to pin 4 and pin 1 is connected to ground. The enable pin is used to turn on (high) or off the device (low).  By default the Enable pin will be considered to be high if left floating. An Inductor is connected between pin 3 and 4 which acts as an energy storage device. The switched output voltage can be obtained from pin 3.

A feedback of the output voltage is given to the Regulator IC through a potential divider to pin 5. Based on this feedback voltage value the PWM duty cycle for the N-Channel MOSFET (in-built) is adjust to control the output voltage. The value of Output voltage depends on the value of resistor R1 and R2 and can be given by the formulae

Vout = 1.25 * (1+(R2/R1))

Similarly application circuits are also given for other configuration circuits as well which can be found in the datasheet attached below.

 

Applications

  • Buck Converter Circuit
  • Boost Converter Circuit
  • Buck-Boost Converter Circuit
  • Battery Operated Applications
  • Variable Voltage generators
  • Miniature RPS Circuits

 

2D-Model

XL6009 2-D Model

 

Component Datasheet

Related Post



Join 20K+subscribers

We will never spam you.

* indicates required

Be a part of our ever growing community.