Skip to main content

TP5100 Lithium Cell Charging Module

The TP5100 is an integrated Lithium battery charger that has a switch mode buck topology. It has all the integrated functions to charge a single or dual cell Lithium battery, along with a few peripheral components.

 

TP5100 Module Pin Description

Pin Name

Pin Description

VIN+

Input voltage pin (20V max.)

GND

Input ground reference

BAT+

Battery positive output

GND

Battery negative

CHARGING

LED output to indicate charging

GND

LED ground reference

CHARGED

LED output to indicate battery charged

 

Features

  • Dual/single Lithium battery charger
  • Programmable charging current up to 2A
  • Temperature, overcurrent and undervoltage protection
  • Trickle, constant current and constant voltage charging

 

Alternate Charging Modules

TP4056, TP5000

 

Related Components

TP5100 IC, resistors, capacitors, inductors

 

Brief About TP5100 Module

The TP5100 charging module consists of a TP5100 IC, an inductor for the integrated switch mode supply, resistors for voltage and current setting and sensing, and capacitors for decoupling.

TP5100 Module Components

 

How To Use TP5100 Module

The TP5100 module is an integrated single or dual cell Lithium battery charger. The four power inputs and outputs are IN+, which is the input voltage pin that accepts 5V to 18V, BAT+ which is the battery output and connects to the positive battery terminal, and two GND pins for the input and output. There is also a header for the charging and charged indicator LEDs, with a common center pin.

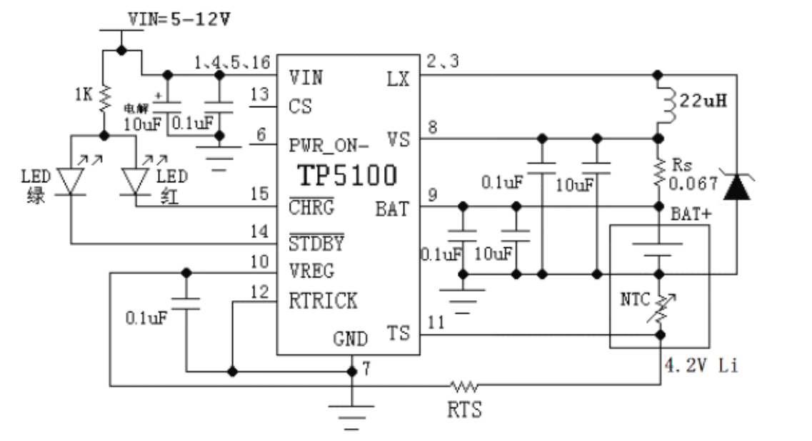
TP5100 Module Internal Circuit

All TP5100 modules have a jumper called ‘SET’ that sets the output voltage since this module can be used to charge both single and dual cell batteries. Shorting the SET jumper sets the charge voltage to dual cells.

 

Applications

  • LiPo battery charger
  • Solar harvesting systems
  • Embedded electronics
  • Battery-powered appliances

Related Post



Join 20K+subscribers

We will never spam you.

* indicates required

Be a part of our ever growing community.