Skip to main content

SN54LS00 Quadruple 2-Input NAND Gate

SN54LS00 is a member of the SNx4xx00 IC series. It contains of four independent NAND gates inside a single package. The devices perform the Boolean function Y = A × B or Y = A + B in positive logic. This IC is used in AV Receivers, Portable Audio Docks, Blu-Ray Players.

 

SN54LS00 Pinout Description

Pin Number

Pin Name

Description

1,4,9,12

NAND Gate Input pin (A)

First Input pin for the NAND gate

2,5,10,13

NAND Gate Input pin (B)

Second Input pin for the NAND gate

3,6,8,11

NAND Gate Output pin (Y)

Output pin for the NAND gate

7

Ground

Connect to the ground of the circuit.

14

Vcc (Vdd)

Used to power the IC. Typically +5V is used

 

Features

  • Dual Input NAND Gate – Quad Package
  • Typical Operating Voltage: 5V
  • High Level Output Current:- 0.4 mA
  • Low-Level Output Current: 4 mA
  • Propagation Delay Time:15 ns
  • Operating Temperature Range:- 55 C to + 125 C
  • Available in 14-pin PDIP, GDIP, PDSO packages

 

Note: Complete Technical Details can be found in the SN54LS00 datasheet, given at the end of this page.

 

Equivalents

SN74HC00, CD4011

 

Where to use SN54LS00 IC?

SN54LS00 is a 2-input 4 NAND gate IC and used in many electronic circuits. SN54LS00 used for performing NAND function. When you want to use it as a logic inverter, NAND gates in this chip can be reconfigured to make them NOT gate.  So we can make SN54LS00 a four NOT gate chip if necessary. It can be used where high-speed NAND operation is necessary. This chip has lower transition times which are needed for high-speed applications, so SN54LS00 can be used in high-frequency systems.

 

SN54LS00 NAND Gate Truth Table

SN54LS00 Truth Table

 

How to Use SN54LS00 IC

As mentioned earlier, SN54LS00 has four NAND gates. The internal connection of four gates is shown below.

SN54LS00 Internal Circuit
SN54LS00 has 12 input-output pins for four NAND gates. To use the SN54LS00 IC, just power it using the Vcc and ground pins. The typical operating voltage of the IC is +5V, but it can also be operated in +7V. The output voltage of the IC on the pin Y will be equal to the operating voltage of the IC. As per the NAND gate truth table, when both the input of the Gate is Low the output will be high, otherwise, it will be low.

 

Applications

  • AV Receivers
  • Portable Audio Docks
  • Blu-Ray Players
  • Home Theater
  • MP3 Players or Recorders
  • Personal Digital Assistants (PDAs)

 

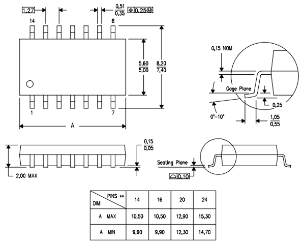
2-D Model and Dimensions

Dimensions for SN54LS00 is given below. These dimensions are for the PDSO package. If you are using different package IC, please refer to the SN54LS00 datasheet.

SN54LS00 dimensions

Component Datasheet

Related Post



Join 20K+subscribers

We will never spam you.

* indicates required

Be a part of our ever growing community.