Skip to main content

Raspberry Pi Pico W

Raspberry Pi Pico W is Raspberry Pi's first wireless microcontroller board, designed especially for physical computing. It is the successor of the popular Raspberry Pi Pico board. Similar to the Pico board, which we discussed earlier, the Pico W board is also built around the Raspberry Foundation in-house ARM chip RP2040. The main improvement is the addition of Wi-Fi and Bluetooth functionality. Raspberry Pi Pico W incorporates an Infineon CYW43439 wireless chip that supports IEEE 802.11 b/g/n wireless LAN, and Bluetooth 5.2.

 

Raspberry Pi Pico W Pinout

Raspberry Pi Pico W is pin-to-pin compatible with the older Pico board and has a total of 40 Pins out of which 26 are multipurpose GPIOs. These 26 digital input and output pins are labeled as GP0, GP1, and so on up to GP28. Out of these 30 pins, GP23, GP24, GP25, and GP29 are not exposed on the header, hence we only get a total of 26 GPIO pins. All GPIOs are operating at a 3.3V logic level.  Apart from these pins, Pico w also offers a 3-Pin header for debug interface which is located near the RP2040 Chip.

These special GPIO pins (not accessible for interfacing) and their functions are given in the table below:

GPIO Pin

Function

GPIO23

OP wireless power ON signal

GPIO24

OP/IP wireless SPI data/IRQ

GPIO25

OP wireless SPI CS – when high also enables GPIO29 ADC pin to read VSYS

GPIO29

OP/IP wireless SPI CLK/ADC mode (ADC3) to measure VSYS/3

Some of the pins of the wireless chip are also used for internal board functions and are accessible. These are listed below.

GPIO

Function

WL_GPIO0

Control the user LED (built-in)

WL_GPIO1

Controls the on-board SMPS power save pin

WL_GPIO2

For VBUS sensing – high if VBUS is present, else low

 

Raspberry Pi Pico W Specifications

The key features of Raspberry Pi Pico W are the following:

  • RP2040 microcontroller chip designed by Raspberry Pi in
  • Dual-core ARM Cortex M0+ processor, flexible clock running up to 133 MHz
  • 264kB of SRAM, and 2MB of onboard Flash memory
  • On-board single-band 2.4GHz wireless interfaces (802.11n)
  • Castellated module allows soldering directly to carrier boards
  • USB 1.1 Host and Device support
  • Low-power sleep and dormant modes
  • Drag & drop programming using mass storage over USB
  • 26 multi-function GPIO pins
  • 2×SPI, 2×I2C, 2×UART, 3×12-bit ADC, 16×controllable PWM channels
  • Accurate clock and timer on-chip
  • Temperature sensor
  • Accelerated floating point libraries on-chip
  • 8×Programmable IO (PIO) state machines for custom peripheral support

Note: Complete technical details can be found in the Raspberry Pi Pico W datasheet given at this page’s end.

 

Other Raspberry Pi Boards: Raspberry Pi 3, Raspbery Pi 4, Raspberry Pi Pico 

 

Raspberry Pi Pico Vs Raspberry Pi Pico W

The main difference between the Pico and Pico W is the inclusion of Infineon’s CYW43439 2.4-GHz Wi-Fi chip, which is responsible for WiFi and Bluetooth. Another major change is with the power section. The new Pico W uses the RT6154A from Richtek as the power regulator instead of the RT6150B in the original Pico design. The debug port also moved near the SoC to make space for the Wi-Fi antenna.

 

How to power Pi Pico W?

To power the Pico W, you can either use the USB port or VSYS pin.

  • The simplest way is to use the USB port(5V). This 5V can also be accessed from the VBUS pin for external components.
  • Another way is to use the VSYS pin (1.8 V-5.5 V) which can be connected to a battery or other similar power source. This input voltage is then converted to a suitable 3.3 V by an onboard voltage regulator.

 

How to program the Pi Pico W?

The new Pico W can be programmed using C/C++ and MicroPython. You can use Thonny IDE for micro python programming. The Pico W board can also be programmed with the Arduino IDE.

 

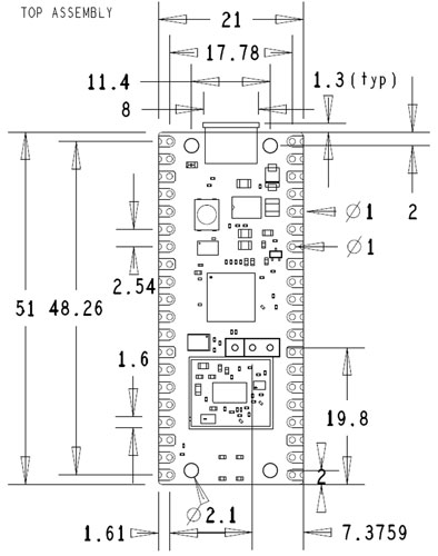
2D Model and Dimensions

The Pico W is a single-sided 51mm x 21mm x 1mm PCB with a micro-USB port overhanging the top edge, and dual castellated/through-hole pins around the two long edges. The onboard wireless antenna is located on the bottom edge. To avoid detuning the antenna, no material should intrude into this space. Pico W is designed to be usable as a surface-mount module as well as presenting a dual inline package (DIP) format, with the 40 main user pins on a 2.54mm (0.1") pitch grid with 1mm holes, compatible with Veroboard and breadboard. Pico W also has four 2.1mm drilled mounting holes to provide for mechanical fixing. Refer to the image below for more details.

Raspberry Pi Pico W 2D Model and Dimensions

Component Datasheet

Related Post



Join 20K+subscribers

We will never spam you.

* indicates required

Be a part of our ever growing community.