Skip to main content

NTE987 Quad Op-Amp

The NTE987 is a Low power Quad Op-Amp that can operate even in low voltages like 3V. It has differential input stage and a wide operating voltage of 3V to 32V.

 

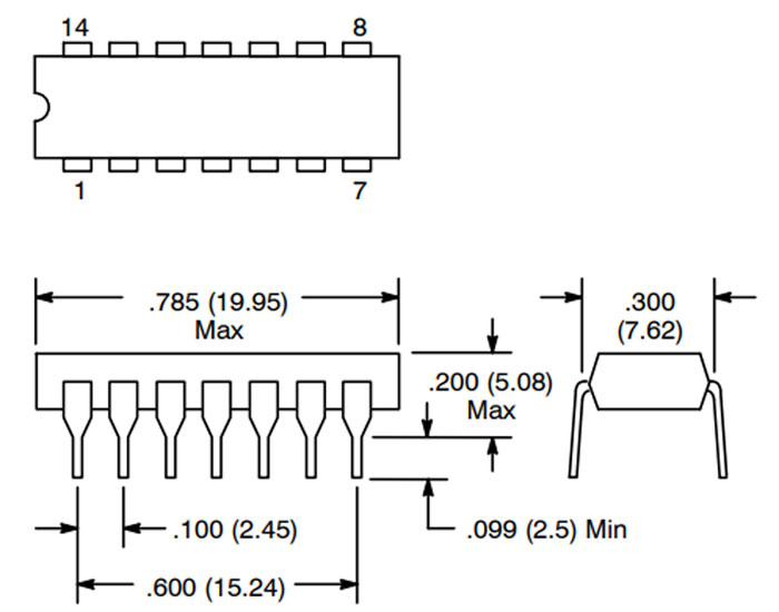
Pin Configuration

Pin Number

Pin Name

Description

1

OUTPUT1

Output of Op-Amp 1

2

INPUT1-

Inverting Input of Op-Amp 1

3

INPUT1+

Non-Inverting Input of Op-Amp 1

4

VCC

Positive Supply Voltage

5

INPUT2+

Non-Inverting Input of Op-Amp 2

6

INPUT2-

Inverting Input of Op-Amp 2

7

OUTPUT2

Output of Op-Amp 2

8

OUTPUT3

Output of Op-Amp 3

9

INPUT3-

Inverting Input of Op-Amp 3

10

INPUT3+

Non-Inverting Input of Op-Amp 3

11

VEE,GND

Ground or Negative Supply Voltage

12

INPUT4+

Non-Inverting Input of Op-Amp 4

13

INPUT4-

Inverting Input of Op-Amp 4

14

OUTPUT4

Output of Op-Amp 4

 

NTE987 Quad Op-Amp Specifications

  • Four Package Amplifier IC
  • Single Supply Voltage: 3V to 32V
  • Supply Current: 3mA (max)
  • Operates in Negative supply
  • Output can also be negative
  • Typical Gain: 100dB
  • Typical CMRR Value: 70
  • Input Bias Current: 0.25uA @ 5V
  • Available in DIP-14 and SOIC-14 Package

 

NTE987 Equivalent

LM324

 

Brief Description on NTE987

The NTE987 is a Quad package Amplifier IC, meaning it had four Op-Amps inside it. It is a low power Op-Amp that can operate between 3V to 32V with single supply voltage and consumes a maximum of 3mA current while operating. It has a voltage gain of typically 100 and CMRR ratio of 70 as maximum.

The output pins of the op-amp have built in short circuit feature. The minimum input bias current is 0.25uA at 5V and the Input Offset voltage is 7V when operating at 30V. The Op-Amp is a general purpose Op-amp and most of its properties are similar to the LM324 Op-amp which more commonly available and popular.

 

Applications

  • Transducer Amplifiers
  • Filter circuits, Voltage followers
  • Integrator, Differentiator, Summer, adder, Voltage follower, etc.,
  • DC gain blocks
  • Comparators (Loop control & regulation)

 

2D-Model

2D dimensions will help you in placing this component at the time of making circuit on perf board or a PCB.

NTE987 Quad Op-Amp 2-D Model

 

Component Datasheet

Related Post



Join 20K+subscribers

We will never spam you.

* indicates required

Be a part of our ever growing community.