Skip to main content

MJE2955T Power Transistor

MJE2955T is a general-purpose PNP power transistor manufactured with the epitaxial base process and is mounted in a hermetically sealed metal case. This device is designed for general purpose switching and amplifier applications.

 

MJE2955T Pinout Configuration

Like any other transistor, MJE2955T has three pins namely EMITTER, BASE, and COLLECTOR. The pin configuration of MJE2955T is given below.

Pin Number

Pin Name

Description

1

Base

Controls the biasing of the transistor

2

Collector

Electrons Emitted from Emitter Collected by the Collector

3

Emitter

Electrons emitted from the Emitter into the first PN junction

 

Features and Specifications

  • Bi-Polar PNP Power Transistor
  • DC Current Gain (hFE) is 100 maximum
  • Continuous Collector current (IC) is 10A
  • Emitter Base Voltage (VBE) is 5V
  • Base Current (IB) is 6A maximum
  • Available in TO-220 Package
  • Maximum Collector-Base Voltage |Vcb|: 60 V
  • Collector Dissipation: 75 W
  • MAX Collector Dissipation: 90 W
  • Transition Frequency: 2 MHz
  • Operating Junction Temperature Max (Tj): 175 °C
  • Noise Figure: 2-10 dB
  • Operating and Storage Junction Temperature Range -55 to +150 °C
  • Collector Capacitance 8.5 pF
  • Pb−free packages are available

 

Note: Complete technical details can be found in the MJE2955T Transistor datasheet given at the end of this page.

 

MJE2955T Transistor Equivalents

2N5987, 2N5988, MJE1291, NTE183

 

How to use MJE2955T Transistor in a Circuit

The MJE2955T transistor is a very versatile transistor that can be used in many different applications. It is used in high power applications where the need to control high power lodes becomes necessary. The frequency range of this transistor is quite limited which is why it is mostly used in amplifiers, but in some cases, it can be configured as a preamplifier for a power amplifier stage. MJE2955T is a PNP Transistor hence the collector and emitter will be closed (Forward biased) when the base pin is held at the ground and will be opened (Reverse biased) when the base of the transistor is connected to the ground pin. This is where a PNP transistor differs from an NPN transistor.

MJE2955T Circuit Diagram

As we have mentioned earlier the MJE2955T is a PNP transistor and can be used in many different applications, for that reason we have set the transistor in a common emitter configuration, and we are driving a high-power motor as load.  Under initial circumstances, the button will be in open circuit condition and no current will flow through the base. With no base current, the transistor acts as an open circuit and the entire supply voltage V1 will not appear across it.

 

Applications

  • Power switching circuits
  • Amplifier circuits
  • PWM applications
  • Regulator circuits
  • Switch-mode power supply
  • Signal Amplifiers

 

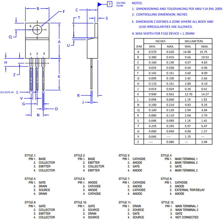
2D Model and Dimensions

If you are designing a PCB or Perf board with this component, then the following picture from the Datasheet will be useful to know its package type and dimensions.

MJE2955T Transistor Dimensions

Component Datasheet

Related Post



Join 20K+subscribers

We will never spam you.

* indicates required

Be a part of our ever growing community.