Skip to main content

MIL-DTL-24308 DB25 Parallel Port Connector

D-Sub connectors are sub-miniature panel-type connectors with polarized shells. These use pin & socket machined contacts that provide high reliability & density for the connectors. With their versatile design, these high-performance connectors are used in a variety of applications where weight & size are critical factors. An example would be the pink port on the backside of the old motherboard which was used to connect dot matrix printers.

 

DB25 Port Connector Pinout Configuration

Pin Number

Pin Name

Pin Description  

1

STROBE

Data Validation Signal

2

D0

Data Bit 0

3

D1

Data Bit 1

4

D2

Data Bit 2

5

D3

Data Bit 3

6

D4

Data Bit 4

7

D5

Data Bit 5

8

D6

Data Bit 6

9

D7

Data Bit 7

10

ACK

Acknowledge Status Line

11

BUSY

Busy Status

12

Paper Out

Paper Out Status

13

Select

Printer Select Status

14

Line Feed

Auto Feed Status

15

Error

Error Signal Status

16

RESET

Reset Line Control

17

Select Printer

Print Select Control Line

18

GND

Ground Line

19

GND

Ground Line

`20

GND

Ground Line

21

GND

Ground Line

22

GND

Ground Line

23

GND

Ground Line

24

GND

Ground Line

25

GND

Ground Line

 

Features and Specification

  • Standard Shell of Steel/Brass
  • Glass–Filled Polyester UL 94-0 Insulator
  • Copper Alloy Contact / Gold Platted Contact
  • 7.5A Max Contact Current
  • Tested Max Voltage is 1000 Vrms
  • Insulation Resistance >5000 M ohms
  • Contact Resistance 7.5m Ohms

 

Note: Complete technical details about this connector can be found in the DB25 Port Connector datasheet at the end of the page.

 

MIL-DTL-24308 Parallel Port Connector Description

The parallel port was used in the computer since the beginning of the PC era and it mostly remained unchanged over the years. This was first introduced when IBM came up with its PC, they had a discussion with the most prominent printer manufacturer at the time known as Centronics, and they came up with the control signal line necessary for the signals to control the printer with the PC, and ever since this design has become the standard design for many printer manufacturers.

When IBM first constructed a PC they opted to go with the DB25 or D-Sub connector as it was less bulky than a printer 36-port connector. The printer manufacturers always use a 36-pin connector and the PC has a 25-pin D-sub connector and to connect the printer to the PC you need this special adapter cable which is known as a printer cable. As the interfacing process was easy the parallel port become one of the most commonly used ports for DIY applications, even now you can program an AVR microcontroller with a parallel port connector and it can be used for basic home automation projects. This port can handle and input up to 9-bits and output of 12-bits at any one given time, thus requiring minimal external circuitry to do simpler tasks. The port is composed of 4 control lines, 5 status lines, and 8 data lines. It’s can be commonly found on the back of your PC as a D-Type 25 Pin female connector colored in pink.

 

Assembly Process of Parallel Port Connector

The assembly process of this DB-25 connector is shown below as referred to in the datasheet.

Assembly Process of Parallel Port Connector

 

Applications

  • Military
  • C4I
  • Missiles
  • Commercial Aerospace
  • Avionics
  • In-Flight Entertainment

 

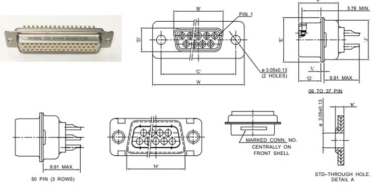
2D Model and Dimensions

Below is the 2D model of the port connector along with its dimensions in inches(millimeters). The following information can be used to design the custom footprints and can be used for PCB designing and CAD modeling.

DB25 Port Connector Dimensions

Component Datasheet

Related Post



Join 20K+subscribers

We will never spam you.

* indicates required

Be a part of our ever growing community.