Skip to main content

MiCS5524 CO, Alcohol and VOC Gas Sensor Module

The MiCS-5524 module is a compact and adaptable sensor device designed for detecting various gaseous substances in the environment. Equipped with a sensitive and responsive metal oxide semiconductor layer, this module is adept at identifying gases such as carbon monoxide, alcohol, acetone, formaldehyde, and hydrogen. Its versatility makes it a popular choice for numerous applications, from home safety devices to industrial air quality monitoring systems. Its compact form factor allows it to be easily integrated into various hardware setups, while its low power consumption ensures extended operational periods. By leveraging the Adafruit MiCS5524 capabilities, developers can create solutions that enhance safety and provide timely alerts in potentially hazardous situations.

MiCS 5524 Sensor Module Pinout

No.

Name

Function

1.

    5V

Positive input power supply for the module 

2.

    GND

Ground pin of the module

3.

    A0

Analog quantity output

4.

    EN

Power Supply disable/enable pin (enable at a low level, disable at a high level

Features of MiCS5524 MEMS Gas Sensor

  • Support a variety of harmful gas detection.
  • Integrate the calculation formulas of various gas concentrations.
  • Low power consumption
  • I2C digital output
  • Compatible with the 3.3~5.5V master controller
  • Detection of Physical Quantities: Gas concentration or gas leakage of CO, CH4, C2H5OH, C3H8, C4H10, H2, H2S, NH3
  • Operating voltage: 4.9~5.1V DC
  • Power dissipation: 0.45W
  • Output signal: Analog quantity
  • Measuring range:
    • 1 – 1000ppm(Carbon monoxide CO )
    • 10 – 500ppm( Ethanol C2H5OH )
    • 1 – 1000ppm(Hydrogen H2)
    • 1 – 500ppm(Ammonia NH3 )
    • >1000ppm(Methane CH4 )
  • Working temperature: -30~85℃
  • Working humidity: 5~95%RH (No condensation)
  • Storage temperature: -40~85℃
  • Lifespan: >2 years(in the air)
  • Circuit board size:12mm×16mm
  • Mounting hole size:Inner diameter 2mm/outer diameter 4mm
  • Weight:7g

Other Popular Gas sensors

MQ-2, MQ-3, MQ-4, MQ-5, MQ-6, MQ-7, MQ-8, MQ-9, MQ131, MQ135, MQ136, MQ137, MQ138, MQ214, MQ216, MQ303A, MQ306A, MQ307A, MQ390A

Note: Complete technical details can be found in the MiCS5524 datasheet at this page’s end. The module discussed here is from adafruit, but the sgx sensortech mics5524 datasheet is only for the sensor component.  

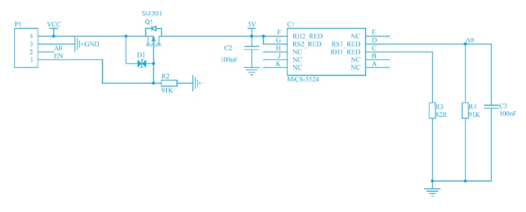
MiCS-5524 Module Circuit Diagram

Image below shows the schematic diagram of MiCS 5524 sensor module. Schematics itself is pretty simple. Only a filter capacitor, two pull-down resistors and a protection circuit using a MOSFET and a diode are used.

MiCS5524-CO-Alcohol-and-VOC-Gas-Sensor-Module-Circuit-Diagram

Interfacing MiCS-5524 with Arduino

The following image shows how the MiCS 5524 Arduino interfacing circuit diagram with an Arduino Uno board.

Interfacing MiCS-5524 module with Arduino

Connect the VCC pin to the 5V pin of Arduino and GND pin to the GND pin of Arduino. The Enable pin is connected to the D11 pin and Vout pin is connected to the A0 pin of the Arduino Uno.

MiCS 5524 Calibration

Like most Gas Sensors, the mics5524 Gas sensor also needs to be calibrated before you can get reliable values from it. The default calibration time is three minutes for this sensor, the below Arduino code is programmed for the same. Also, the sensor has an aging time of 24 hours, meaning the sensor should be connected to power and left as such for 24 hours before using it for the first time. You can check out the mics5534 datasheet (attached at the bottom)  for more information on how to calibrate the mics5524 sensor before using it. 

MiCS5524 Arduino Code

Here is the sample code for the interface. Make sure to download and install the DFRobot_MICS Library.

include "DFRobot_MICS.h"
#define CALIBRATION_TIME   3                      // Default calibration time is three minutes
#define ADC_PIN   A0
#define POWER_PIN 11
DFRobot_MICS_ADC mics(/*adcPin*/ADC_PIN, /*powerPin*/POWER_PIN);
void setup() 
{
  Serial.begin(115200);
  while(!Serial);
  while(!mics.begin()){
    Serial.println("NO Deivces !");
    delay(1000);
  } Serial.println("Device connected successfully !");
  uint8_t mode = mics.getPowerState();
  if(mode == SLEEP_MODE){
    mics.wakeUpMode();
    Serial.println("wake up sensor success!");
  }else{
    Serial.println("The sensor is wake up mode");
  }

  /*Do not touch the sensor probe when preheating the sensor. Place the sensor in clean air.The default calibration time is 3 minutes. */
  while(!mics.warmUpTime(CALIBRATION_TIME)){
    Serial.println("Please wait until the warm-up time is over!");
    delay(1000);
  }
}

void loop() 
{
  /*  Gas type:Methane (CH4)    (1000 - 25000)PPM, Ethanol (C2H5OH) (10   - 500)PPM, Hydrogen (H2)     (1    - 1000)PPM, Ammonia  (NH3)    (1    - 500)PPM, Carbon Monoxide (CO)     (1    - 1000)PPM  */
  float gasdata = mics.getGasData(C2H5OH);
  Serial.print(gasdata,1);
  Serial.println(" PPM");
  delay(1000);
  //mics.sleepMode();
}

Applications for MiC5524 Gas Sensor

  • Gas Leakage detectors

  • Safety equipment

  • Warning systems

MiCS5524 Sensor Module 2D-Model and Dimensions

Below is the 2D CAD drawing of MiCS5524 module along with its dimensions in millimeters. The dimensions can be used to create custom footprints of the module and be used for PCB or CAD modelling.

2D-Model and Dimensions

Component Datasheet

Related Post



Join 20K+subscribers

We will never spam you.

* indicates required

Be a part of our ever growing community.