Skip to main content

MAX17043 - Single-Cell Fuel Gauge with Model Gauge and Low-Battery Alert

The MAX17043 is a tiny, cheap host-side fuel gauge IC specifically designed for single-cell lithium-ion batteries. Unlike the traditional way, this IC uses a modelling scheme called model gauge to monitor the state of charge (SOC) of the battery. This algorithm also helps to eliminate the battery relearn cycles and use of the external current sense resistor. The MAX1703 provides the host device with information about the battery's capacity, voltage, current, temperature, and other relevant parameters. This information is important for the host device to estimate the remaining battery life accurately, manage power consumption, and ensure the safe operation of the battery. The IC can provide alerts for low battery SOC, allowing the host system to take appropriate action. The MAX17043 Communicates with the host microcontroller over an I2C interface, this helps easy integration into embedded systems. The MAX17043 is available in ultrasmall 4mm pitch UCSP and 2mm*3mm 8 pin TDFN lead-free packages.

MAX17043 Pinout Configuration

Here are the pinout details for the MAX17043.    

PIN NO NAME FUNCTION
1 CTG Ground.
2 CELL Battery Voltage Input.
3 VDD Power-Supply Input.
4 GND Ground.
5 ALRT Alert Output.
6 QSTRT Quick-Start Input.
7 SCL Serial Clock Input.
8 SDA Serial Data Input/Output.

Manufacturers of MAX17043:

MAX17043 is manufactured only by Analog Devices now.

MAX17043 Equivalents

If you are looking for an equivalent or replacement for MAX17043 there are no other pin-compatible chips, we could find. 

MAX17043 Alternatives

If you are looking for an equivalent or replacement for MAX17043 you can look at the other IC from these.

BQ27220Q, BQ27210, BQ27510, MAX17205

Note: Complete technical details can be found in the MAX17043 datasheet at this page’s end.

Features of MAX17043

MAX17043 has the following key features:

  • Host-Side or Battery-Side Fuel Gauging 
  • Precision Voltage Measurement 
  • ±12.5mV Accuracy
  • Accurate Relative Capacity (RSOC) Calculated from Model Gauge Algorithm 
  • No Offset Accumulation on Measurement 
  • No Full-to-Empty Battery Relearning Necessary 
  • No Sense Resistor Required 
  • External Alarm/Interrupt for Low-Battery Warning 
  • 2-Wire Interface 
  • Low Power Consumption
  • Tiny, Lead (Pb)-Free, 8-Pin, 2mm x 3mm TDFN Package or Tiny 0.4mm Pitch 9-Bump UCSP Package

MAX17043 Schematics

The following image shows the typical MAX17043 circuit diagram. 

MAX17043 Application Circuit

This is an example application for a 1S cell pack. The MAX17043 is mounted on the system side and powered directly from the cell pack. The external RC networks on VDD and CELL provide noise filtering of the IC power supply and A/D measurement. In this example, the ALRT pin is connected to the microprocessor’s interrupt input to allow the MAX17043 to signal when the battery is low. The QSTRT pin is unused in this application, so it is tied to GND.

Troubleshooting Tips for MAX17043

  • Not getting any readings from the battery: Make sure that all connections between the MAX17043 and the microcontroller are correct. Check for loose or incorrect connections also check the battery is connected properly to the MAX17043.
  • The circuit is not stable: add a 1uf capacitor between the battery pin and ground also make sure that the power supply is stable.
  • ALERT pin gives always a low value. That means the battery is low or dead. check the battery voltage.

Design tips for MAX17043

How can I find the MAX17043 connections are, okay?

Since the MAX17043 uses I2C communication, Use an I2C scanner sketch to detect the MAX17043 on the bus.

Is it possible to use the MAX17043 without a microcontroller?

No, since the communication is i2c we can't use the IC without a microcontroller.

Is it possible to Charge and monitor a 12V lead acid Battery with MAX17043?

No. The MAX17043 is designed for use with single Li-Ion cells. 

Does it have Reverse polarity protection?

No. make sure that your battery is in its correct polarity, otherwise it will damage the IC.

Applications of MAX17043

  • Smartphones, Tablets 
  • Health and Fitness Monitors 
  • Digital Still, Video, and Action Cameras
  • Medical Devices 
  • Handheld Computers and Terminals
  • Wireless Speakers

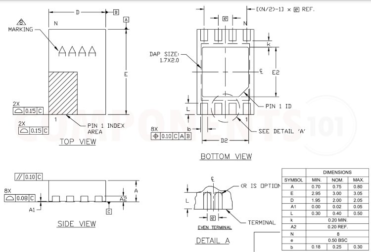
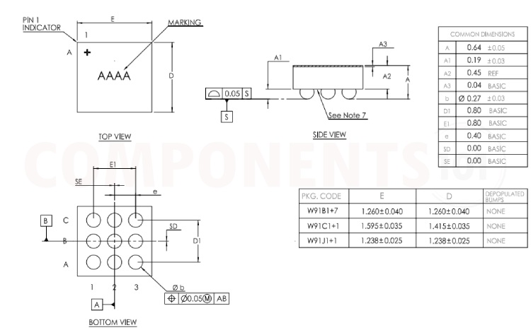
2D Model and Dimensions of MAX17043

Here you can find the mechanical drawings of MAX17043 along with its dimensions. The dimensions can be used to create custom footprints of the module and be used for PCB or CAD modelling.

TDFN Package

MAX17043 TDFN Package

UCSP package

MAX17043 UCSP Package

Component Datasheet

Related Post



Join 20K+subscribers

We will never spam you.

* indicates required

Be a part of our ever growing community.