Skip to main content

LM338 Adjustable 5A Voltage Regulators

The LM338 is an adjustable 3-terminal positive voltage regulator which is capable of delivering 5A over a 1.2-V to 32-V output range. The LM388 needs only two resistors to set the output voltage, this increased the popularity of LM338. It has Outstanding load and line regulation. One of the best features of LM338 is Time-dependent current limiting. We can draw 12A current for short amount of time so this can be used in high transient loads. When there is continuous loading, the current limit drops to a safe level that shields the regulator. The LM338 is available in both TO-220 and TO-CAN packages. This regulator is ideal for various applications like adjustable Power Supplies, Constant Current Regulators, Battery Chargers etc.

LM338 Pinout Configuration

Here we have only included the pinout details for the TO-220 and TO-CAN packages.

LM338 Pinout Configuration

 

TO-220 package

Name  Pin   Description
ADJ  1 Output voltage adjustment pin. Connect to a resistor divider to set VO
VOUT 2 Voltage output pin
VIN 3  Supply input pin

TO-CAN package       

Name  Pin Description
ADJ 1 Output voltage adjustment pin. Connect to a resistor divider to set VO
VIN  2 Supply input pin
VOUT Case  Voltage output pin

How to Identify the LM338 Part Number

The suffix after the LM338 in the part number indicates the package, The TO-CAN package will have the suffix K, while those with the TO-220 plastic package will have the suffix T.

Manufacturers of LM338 IC:

The LM338 regulator IC is manufactured by several semiconductor companies, including Texas Instruments, ON Semiconductor, STMicroelectronics, and Fairchild Semiconductor. Each manufacturer's version of the LM338 may have slightly different specifications or features, so it's important to refer to the datasheet specific to the manufacturer you're using.

LM338 Equivalents

If you are looking for an equivalent or replacement for LM338 you can look at the other IC from the same family. The only difference between them will be the maximum power rating. 

LM138, LM350, LM317, LT1083, LT1084, LT1085

LM338 Alternatives

LM7805, LM2940S

Features of LM338

The LM338 is a versatile adjustable voltage regulator with several key features:

  • Adjustable Output from 1.2V to 32V.
  • High current rating up to 5A.
  • Built-in thermal regulation circuitry to the junction temperature and to protect the device from overheating.
  • Internal current limiting and thermal shutdown protections.
  • Wide Input Voltage Range up to 40V.
  • Low Dropout Voltage of 2.5V at full load.
  • High Ripple Rejection.

LM338 Schematics

The following image shows the typical LM338 circuit diagram.

LM338 Schematics

 

In operation, the LM138 develops a nominal 1.25-V reference voltage (VREF) between the output and adjustment terminal. The reference voltage is impressed across program resistor R1 and, since the voltage is constant, a constant current I1 then flows through the output set resistor R2, giving an output voltage calculated with Equation.

Constant 5-V Regulator

Here is a simple 5V fixed voltage output circuit using LM338.

Constant 5V Regulator

R1: Because the LM138 produces a typical 1.24 V potential between the OUTPUT and ADJUST pins, placing a 270-Ω resistor between them causes 4.6 mA to flow through R1 and R2.
R2: To achieve a 5-V output, the sum of the voltages across R1 and R2 must equal 5 V. Therefore, Vr2 must equal 3.76 V when 4.6 mA is flowing through it. R2 = Vr2 / I = 3.76 V / 4.6 mA = ~820 Ω .
CIN: 0.1 µF of input capacitance helps filter out unwanted noise, especially if the regulator is located far from the power supply filter capacitors.
COUT: The regulator is stable without any output capacitance but adding a 1-µF capacitor improves the transient response.
CADJ: A 10-µF capacitor bypassing the ADJUST pinto ground improves the regulator ripple rejection.

Troubleshooting Tips for LM338

  • An input bypass capacitor is recommended. A 0.1-µF disc or 1-µF solid tantalum on the input is suitable input bypassing for almost all applications. The device is more sensitive to the absence of input bypassing when adjustment or output capacitors are used but the above values eliminate the possibility of problems.
  • When external capacitors are used with any IC regulator it is sometimes necessary to add protection diodes to prevent the capacitors from discharging through low current points into the regulator. Most 20-µF capacitors have low enough internal series resistance to deliver 20-A spikes when shorted. Although the surge is short, there is enough energy to damage parts of the IC.
  • The LM338 is capable of providing extremely good load regulation but a few precautions are needed to obtain maximum performance. The current set resistor connected between the adjustment terminal and the output terminal (usually 240 Ω) must be tied directly to the output of the regulator (case) rather than near the load. This eliminates line drops from appearing effectively in series with the reference and degrading regulation.

Design Tips for LM338

1. Is it necessary to use a heat sink with the LM338 ic.?
Yes, LM338 will generate a significant amount of heat while working. We have to use a proper heat sink to dissipate heat properly.
2. Is it possible to use the LM338 standalone (without any external components)?
No, we need to use external resistance and capacitors for the proper working of the circuit.
3. What are the design considerations when designing a PCB using LM338.?
Heat dissipation: The LM338 can dissipate a significant amount of heat, especially when handling high currents or large voltage. Make sure that the PCB layout includes a heat sink connected to LM338.
Input and output capacitors: Place input and output capacitors (typically electrolytic capacitors) close to the LM338 to improve stability and reduce noise. A 0.1μF ceramic capacitor should be placed across the output for stability.
Trace width: Use proper trace widths for the input and output connections to handle the expected current without excessive voltage drop or heating.
Grounding: Add a solid ground plane and ensure that the LM338's tab is connected to this ground plane for proper heat dissipation.

Applications of LM338

  1. Adjustable Power Supplies
  2. Constant Current Regulators
  3. Battery Chargers

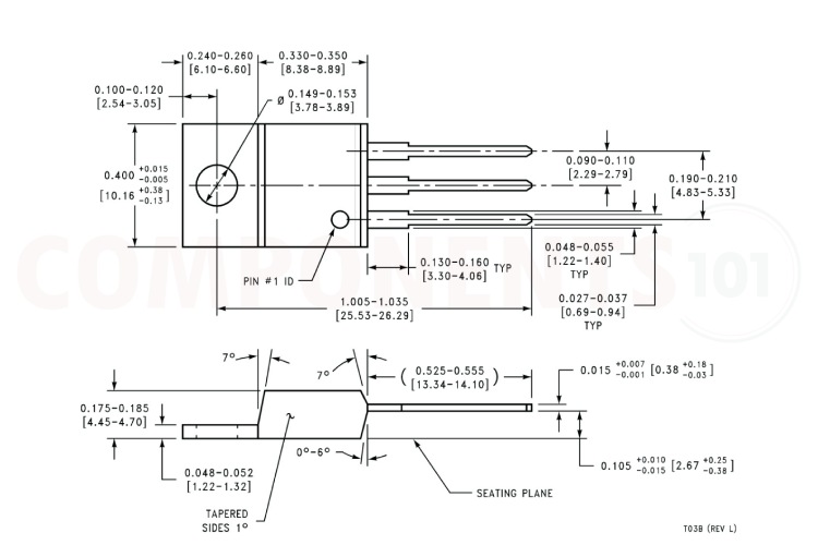
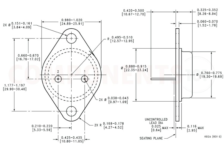
2D Model and Dimensions of LM338

Here you can find the mechanical drawings of LM338 along with its dimensions. The dimensions can be used to create custom footprints of the module and be used for PCB or CAD modelling.

 

LM338 2D Model

2D Dimension of LM338

 

Component Datasheet

Related Post



Join 20K+subscribers

We will never spam you.

* indicates required

Be a part of our ever growing community.