Skip to main content

LM2576 Step-Down Voltage Regulator

Pin Configuration

Pin Number

Pin Name

Description

1

VIN

The voltage which has to be regulated is provided as input to this pin

2

Output

The regulated output can be obtained through this pin

3

Ground

Connected to system ground

4

Feedback

This pin is provided with the feedback voltage based on which the output is regulated   

5

ON/OFF

Connect to ground to activate regulator or connect to Vcc to disable the regulator.

 

LM2576 Regulator features and specifications

  • Switch mode step down voltage regulator
  • Output Voltage for fixed voltage regulator: 3.3V, 5V, 12V or 15V
  • Output Voltage for Variable type regulator: 1.23V to 37V
  • Output Current: Upto 3A
  • Maximum Input Voltage:  40V
  • In-built Thermal Shutdown and Current Limit Protection
  • Internal Oscillator: 52-kHz (Fixed Frequency)
  • Available in TO-220 and TO-263 packages

 

Alternatives Step-Down Converter IC

LM2677, LM2575

 

Where to use LM2576 Buck Converter IC?

The LM2576 is a voltage Regulator IC, it uses the Buck-converter topology to step-down and regulate higher level voltage values to lower level. It is of non-sync type and can take in an input voltage 40V maximum and source an output current of 3A maximum with a peak efficiency of 90%.

There are also fixed output voltage type and variable output voltage type of Converters available with the same IC. So if you are looking for a switching step-down regulator with these characteristics to regulate a voltage for your circuit then this IC might be of interest to you.

 

How to use LM2576 IC?

Using the LM2576 is very easy; it requires only 6 additional components including an inductor which is placed in series with the output. The value of the inductor can range from 47uH to 330uH based on the output required. A typical application circuit for LM2576 is show below.

LM2576 Buck Converter Application Circuit

Since this is a switching circuit electrostatic interference should be kept in mind while designing the PCB of placing the components on a perf board. The circuit also deals with high current and hence a suitable high voltage di-electric capacitor with low ESR (equivalent series resistance) should be chosen. Also a high current will be passing through the indictor and hence the coil should be of high gauge to allow the current to pass through it. Using a wrong value or low wattage inductor might damage the IC permanently.

The diode 1N5822 is a Schottky diode which can be used with the high switching speed of the regulator IC since it operates at 52kHz. Also the voltage drop across the diode is less and can allow high current to pass through it. Again since we are dealing with step-down switching circuit there will high power dissipation and the use of heat sink for the LM2576 is mostly mandatory.  

 

Applications

  • Used in battery circuits since they have high efficiency
  • Step-down Linear regulators
  • Used in small SMPS circuits
  • Can also be used to source negative voltage.

 

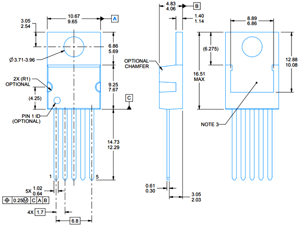
2D-Model (TO-220)

LM2576 IC Dimensions

Component Datasheet

Related Post



Join 20K+subscribers

We will never spam you.

* indicates required

Be a part of our ever growing community.