Skip to main content

LIS3DH Triple-Axis Accelerometer

The LIS3DH is an ultra-low-power, high-performance three-axis linear accelerometer from STMicroelectronics which belongs to the “nano” family with digital I2C/SPI serial interface standard output. This device features ultra-low-power operation that is very useful for modern-day power efficient or battery-powered applications.

 

LIS3DH Pinout Configuration

Pin Name

Description

VCC

3.3v Power out pin for other peripherals.

GND

Ground pin

SCL

Signal interface I²C serial clock (SCL) with 10K pullup

SDA

Signal interface I²C serial data (SDA) with 10K pullup

SD0

3-wire interface serial data output (SDO)

CS

 I2C/SPI mode selection: 1- I2C enabled, 0 - I2C disabled

INT

Inertial interrupt out pin

ADC1

 Analog-to-digital converter input 1

ADC2

 Analog-to-digital converter input 2

ADC3

 Analog-to-digital converter input 3

 

Features and Specifications

  • Wide supply voltage, 1.71 V to 3.6 V 
  • Independent IO supply (1.8 V) and supply voltage compatible 
  • Ultra-low-power mode consumption down to 2 μA 
  • 2g/±4g/8g/16g dynamically selectable full scale
  • I2C/SPI digital output interface 
  • 16-bit data output 
  • 2 independent programmable interrupt generators for free-fall and motion detection 
  • 6D/4D orientation detection 
  • Free-fall detection 
  • Motion detection 
  • Embedded temperature sensor 
  • Embedded self-test
  • Embedded 32 levels of 16-bit data output FIFO 
  • 10000 g high shock survivability
  • ECOPACK®, RoHS, and “Green” compliant

 

Note: For more information do check out the datasheet of the LIS3DH Accelerometer given at the bottom of this page.

 

Alternative Modules like LIS3DH Accelerometer

ADXL335 (3-axis accelerometer), ADXL345 (3-axis accelerometer), MPU9250 (9-axis IMU), MPU6050.

 

Where to Use LIS3DH Sensor?

The LIS3DH is a Micro Electro Mechanical Systems (MEMS) Accelerometer that consists of a 3-axis Accelerometer inside. It has dynamically user-selectable full scales of 2g/±4g/8g/16g and is capable of measuring accelerations with output data rates from 1 Hz to 5.3 kHz. The self-test capability allows the user to check the functioning of the sensor in the final application. The device may be configured to generate interrupt signals using two independent inertial wake-up/free-fall events as well as by the position of the device itself. Thresholds and timing of interrupt generators are programmable by the end-user on the fly. The LIS3DH has an integrated 32-level first-in, first-out (FIFO) buffer allowing the user to store data in order to limit intervention by the host processor. Additionally, it has three built-in ADC that can be used to measure battery voltage and current simultaneously which can be super useful in many applications. So, if you are looking for a sensor to control motion for your RC Car, Drone, Self-balancing Robot, Humanoid, Biped, or something like that then this sensor might be the right choice for you.

 

How to Use LIS3DH Sensor?

The uses of this sensor are very simple. In this section of this article, we will discuss how we can hook up a bear sensor and work with it.

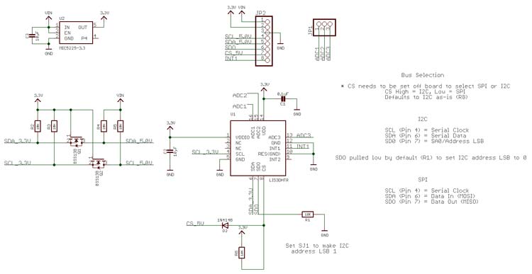
LIS3DH Circuit Diagram

As you can see the schematic is taken from Adafrut and its very simple, if you are using the bear IC and not the module this Schematic is a very useful tool to you because here you can get a proper part number for the 3.3V voltage regulator that is used to power this IC. As you can see, they also used some MOSFET in a logic level converter configuration, so you would not have any issues communicating with the Arduino.

The LIS3DH module allows us to read data from it through the I2C bus. Any change in acceleration will reflect on the mechanical system that will change the variable voltage. This IC has a 16-bit ADC which it uses to accurately read these changes in voltage and stores it in the FIFO buffer and the INT Interrupt goes high, this means that the data is ready to be read. So we use an MCU to read the data from this FIFO buffer through I2C. It's easy as it sounds, but in practice, you may face some difficulties while trying to make sense of the data. However, there are many prebuilt libraries for Arduino and other popular platforms like PIC and ARM that make the job pretty easy.

 

Applications

  • Used for IMU measurement
  • Drones / Quadcopters
  • Self-balancing robots
  • Robotic arm controls
  • Humanoid robots
  • Tilt sensor
  • Orientation / Rotation Detector
  • Motion-activated functions 
  • Free-fall detection 
  • Click/double-click recognition
  • Intelligent power saving for handheld devices 
  • Pedometers

 

2D Model and Dimensions

The 2D model of the device is shown below which you can also find on the Adafruit Product Listing page.

LIS3DH 2D Model and Dimensions

Component Datasheet

Related Post



Join 20K+subscribers

We will never spam you.

* indicates required

Be a part of our ever growing community.