Skip to main content

LED Bar Graph

Pin Configuration

Pin No.

Pin Name

Description

1 to 10

Anode

All are anode pins of the respected LED

11 to 20

Cathode

All are cathode pins of the respected LED

 

Features

  • 10 LEDs with individual control
  • High Luster
  • High Intensity
  • Economically Priced
  • Breadboard or Perf board friendly
  • RoHS Compliant
  • Wide viewing angle

 

Technical Specifications

  • Forward Current: 20mA
  • Forward Voltage: 2.0V to 2.2V (maximum)
  • Luminous Intensity: 60mcd
  • Wavelength: 630nm
  • Operating Temperature: -25℃ to 85℃
  • Storage Temperature: -30℃ to 85℃
  • Soldering Temperature: 260℃ for 5sec.
  • Available Colors: Red, Green, Blue, Yellow, Orange, Amber

 

Note: Complete technical information can be found in the LED Bar Graph Datasheet linked at the bottom of this page.

 

Where LED Bar Graphs are Used?

LED Bar Graph is an LED array, which is used to connect with electronic circuit or microcontroller. It’s easy to connect LED bar graph with the circuit like as connecting 10 individual LEDs with 10 output pins. Generally we can use the LED bar graph as a Battery level Indicator, Audio equipments, and Industrial Control panels. There are many other applications of LED bar graphs.

 

How to Use LED Bar Graph?

You can control the LED bar graph with the microcontroller or connecting to an electronic circuit.

First, we will show you that how to connect a LED Bar Graph with the Micro-controller. When connecting to the Micro-controller you just have to connect the Anode pins of the LED Bar graph and ground the Cathode pins using a resistor in between as shown in the image below. Then Upload your code and drive the LED Bar Graph accordingly.

 LED Bar Graph Connection with Micro-controller

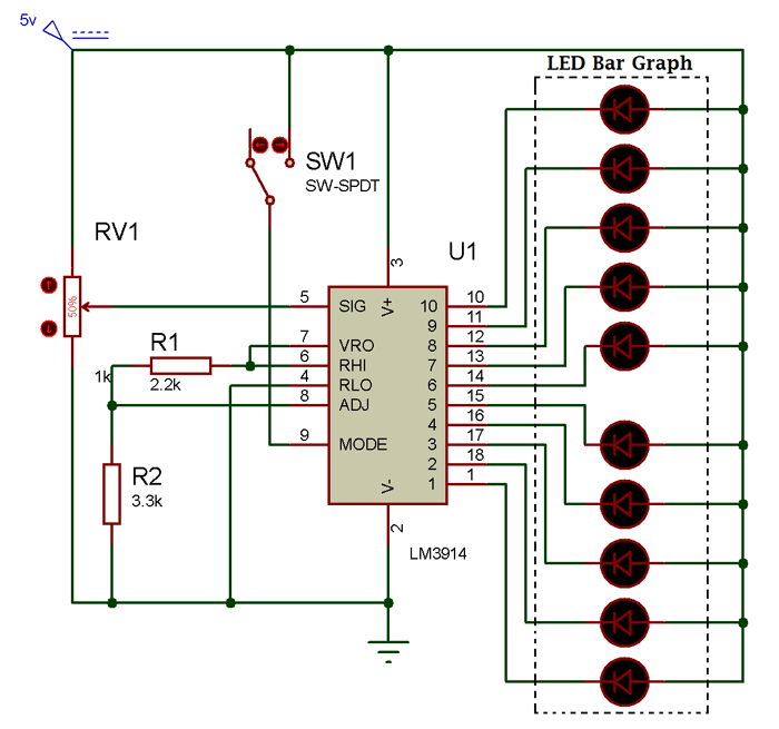
Now, if you want to use a LED Bar graph in a Circuit then you can connect the Bar with the LM3914 Dot/Bar Display Driver. LM3914 is used to drive these LED Bar Graph displays. A circuit diagram given below will help you to understand the connection.

Circuit using LED Bar Graph

Applications

  • Industrial Controls
  • Instrumentation
  • Office Equipment
  • Computer Peripherals
  • Consumer Products
  • Moving Message Display
  • Digital Display
  • Score Boards

 

2D-model

 LED Bar Graph 2D-model

Component Datasheet

Related Post



Join 20K+subscribers

We will never spam you.

* indicates required

Be a part of our ever growing community.