Skip to main content

FGA15N120 IGBT

The FGA15N120 is a high voltage IGBT with a Collector to Emitter voltage of 1200V and continuous collector current of 30A.  It also has a very low collector emitter saturation voltage of 1.9V and low switching losses.

 

Pin Description

Pin Number

Pin Name

Description

1

Gate

Controls the biasing of the IGBT

2

Collector

Current flows in through Source

3

Emitter

Current flows out through Emitter

 

Features

  • High Voltage IGBT with low saturation voltage
  • Collector-Emitter Voltage (VCE): 1200V
  • Collector Current (IC): 30A @25°C
  • Minimum Gate threshold voltage (VGE) is 4.5V
  • Maximum Gate threshold voltage (VGE) is 8.5V
  • Gate-Emitter Voltage is (VGE) is ±20V (max)
  • Rise time and fall time is about 20ns and 100ns respectively.
  • Available in To-3P package

NOTE: Complete details can be found in the FGA15N120 IGBT Datasheet linked at the bottom of this page.

 

Alternatives for FGA15N120 

FGA25N120, TA49123, FGA180N33

 

FGAxxN120 series IGBTs

Fairchild Semi-conductors have a list of high voltage IGBTs under the FGAxxN120 series. All the IGBT under this series features  Non Punch Though (NPT) Technology hence it has very low switching loss and low saturation voltage making it feasible to be used in low voltage switching driver designs with comparatively high efficiency for its switching range.

The current rating of these IGBT is denoted after the prefix FGA. For example the FGA15N120 IGBT is rated for 15A Collector current at 125°C similarly the FGA25N120 is rated for 25A. The number 120 indicates that the IGBT has a collector emitter voltage of 1200V.

 

Where to use FGA15N120 IGBT

The FGA15N120 is a high voltage IGBT, it can be used to switch high voltage values as high a 1200V with a current capability of 30A at 25°C. It can further handle high pulse currents of upto 45A making suitable in application where high voltage and switching current spikes are involved.

The 15N120 IGBTs have extended avalanche capability that is the IGBTs are immune to stray inductance problems. Even when the Collector Emitter voltage exceeds the rated voltage they do not breakdown because of this property. Hence these IGBT can be used in rugged switching designs.

Like all IGBT’s the FGA15N also suffers from low switching speed and high voltage drop across collector and emitter compared with MOSFETs. So if you design requires high efficiency and faster switching device then you should prefer MOSFETs over IGBT. IGBT are preferred in designs where high switching voltage and current is involved.

 

How to use FGA15N120

An IGBT is a combination of MOSFET and BJT, as we can notice from its pin-out. It has Gate on the input side similar to a MOSFET and Collector and Emitter on the output side similar to a BJT. This indicates that an IGBT is simply a MOSFET coupled with BJT on its output side to utilize the merits of a MOFET and BJT.

Similar to MOSFET in IGBT also the gate pin has to be trigger with the minimum gate voltage to close the switch. Here in FGA15N120 the minimum gate saturation voltage is 4.5V but normally 5V is used in designs, the required gate trigger voltage can be calculated using the collector emitter voltage and collector current that has to be switched, using the graph in the datasheet as shown below

 V-I Characteristics of 15N120

 

Once the gate is triggered the IGBT will remain on even after the trigger voltage is removed similar to a MOSFET. This is because of the gate capacitance present on the input gate pin of IGBT. To turn off the device the gate capacitance has to be discharged by simply connecting the gate pin of IGBT to ground. Because of this normally the Gate pin of IGBT is connected to ground though a pull down resistor of 10k or a gate driver IC like IR2104 is used.

When IGBT is used in switching circuits, care should be taken that it is not used in high frequency designs since the collector emitter voltage drop (switching loss) of the IGBT increase with increase in switching frequency. The graph for the same can be found in datasheet.

 

Applications

  • High Voltage, high current switching devise
  • Induction Heating
  • Microwave Oven
  • Large Solenoids
  • Tesla Coils
  • Converters or Inverter circuits

 

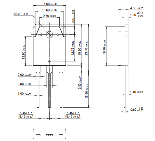
2D model of the component

If you are designing a PCB or Perf board with this component then the following picture from the FGA15N120 Datasheet will be useful to know its package type and dimensions.

FGA15N120 Dimensions

Component Datasheet

Related Post



Join 20K+subscribers

We will never spam you.

* indicates required

Be a part of our ever growing community.