Skip to main content

ESP32-PICO-D4 Wireless SIP

ESP32-PICO-D4 is an ESP32-based System-in-Package (SIP) from Espressif. The new ESP32-PICO-D4 SIP combines an ESP32 SoC, crystal oscillator, filter capacitors, RF matching links, and 4MB flash, into a single 7mm × 7mm QFN package. Including the passive components in the design means that the new QFN package needs very little external support to be used on our own PCB. With its ultra-small size, robust performance, and low-energy consumption, ESP32-PICO-D4 is well suited for any space-limited or battery-operated applications, such as wearable electronics, medical equipment, sensors, and other IoT products.

 

ESP32-PICO-D4 Pinout Configuration

No.

Name

Type

Function

1 VDDA P Analog Power Supply (2.3V ~ 3.6V)
2 LNA_IN I/O RF Input and Output

3

VDDA3P3

P

Analog power supply (2.3 V ~ 3.6 V)

4

VDDA3P3

P

Analog power supply (2.3 V ~ 3.6 V)

5

SENSOR_VP

I

GPIO36, ADC1_CH0, RTC_GPIO0

6

SENSOR_CAPP

I

GPIO37, ADC1_CH1, RTC_GPIO1

7

SENSOR_CAPN

I

GPIO38, ADC1_CH2, RTC_GPIO2

8

SENSOR_VN

I

GPIO39, ADC1_CH3, RTC_GPIO3

9

EN

I

High: On; enables the module Low: Off; the module powers off Note: Do not leave this pin floating.

10

IO34

I

GPIO34, ADC1_CH6, RTC_GPIO4

11

IO35

I

GPIO35, ADC1_CH7, RTC_GPIO5

12

IO32

I/O

GPIO32, 32K_XP (32.768 kHz crystal oscillator input), ADC1_CH4, TOUCH9, RTC_GPIO9

13

IO33

I/O

GPIO33, 32K_XN (32.768 kHz crystal oscillator output), ADC1_CH5, TOUCH8, RTC_GPIO8

14

IO25

I/O

GPIO25, DAC_1, ADC2_CH8, RTC_GPIO6, EMAC_RXD0

15

IO26

I/O

GPIO26, DAC_2, ADC2_CH9, RTC_GPIO7, EMAC_RXD1

16

IO27

I/O

GPIO27, ADC2_CH7, TOUCH7, RTC_GPIO17, EMAC_RX_DV

17

IO14

I/O

GPIO14, ADC2_CH6, TOUCH6, RTC_GPIO16, MTMS, HSPICLK, HS2_CLK, SD_CLK, EMAC_TXD2

18

IO12

I/O

GPIO12, ADC2_CH5, TOUCH5, RTC_GPIO15, MTDI, HSPIQ, HS2_DATA2, SD_DATA2, EMAC_TXD3

19

VDD3P3_RTC

P

Input power supply for RTC IO (3.0 V ~ 3.6 V)

20

IO13

I/O

GPIO13, ADC2_CH4, TOUCH4, RTC_GPIO14, MTCK, HSPID, HS2_DATA3, SD_DATA3, EMAC_RX_ER

21

IO15

I/O

GPIO15, ADC2_CH3, TOUCH3, RTC_GPIO13, MTDO, HSPICS0, HS2_CMD, SD_CMD, EMAC_RXD3

22

IO2

I/O

GPIO2, ADC2_CH2, TOUCH2, RTC_GPIO12, HSPIWP, HS2_DATA0, SD_DATA0

23

IO0

I/O

GPIO0, ADC2_CH1, TOUCH1, RTC_GPIO11, CLK_OUT1, EMAC_TX_CLK

24

IO4

I/O

GPIO4, ADC2_CH0, TOUCH0, RTC_GPIO10, HSPIHD, HS2_DATA1, SD_DATA1, EMAC_TX_ER

25

IO16

I/O

GPIO16, HS1_DATA4, U2RXD, EMAC_CLK_OUT

26

VDD_SDIO

P

Output power supply.

27

IO17

I/O

GPIO17, HS1_DATA5, U2TXD, EMAC_CLK_OUT_180

28

SD2

I/O

GPIO9, SD_DATA2, SPIHD, HS1_DATA2, U1RXD

29

SD3

I/O

GPIO10, SD_DATA3, SPIWP, HS1_DATA3, U1TXD

30

CMD

I/O

GPIO11, SD_CMD, SPICS0, HS1_CMD, U1RTS

31

CLK

I/O

GPIO6, SD_CLK, SPICLK, HS1_CLK, U1CTS

32

SD0

I/O

GPIO7, SD_DATA0, SPIQ, HS1_DATA0, U2RTS

33

SD1

I/O

GPIO8, SD_DATA1, SPID, HS1_DATA1, U2CTS

34

IO5

I/O

GPIO5, VSPICS0, HS1_DATA6, EMAC_RX_CLK

35

IO18

I/O

GPIO18, VSPICLK, HS1_DATA7

36

IO23

I/O

GPIO23, VSPID, HS1_STROBE

37

VDD3P3_CPU

P

Input power supply for CPU IO (1.8 V ~ 3.6 V)

38

IO19

I/O

GPIO19, VSPIQ, U0CTS, EMAC_TXD0

39

IO22

I/O

GPIO22, VSPIWP, U0RTS, EMAC_TXD1

40

U0RXD

I/O

GPIO3, U0RXD, CLK_OUT2

41

U0TXD

I/O

GPIO1, U0TXD, CLK_OUT3, EMAC_RXD2

42

IO21

I/O

GPIO21, VSPIHD, EMAC_TX_EN

43

VDDA

P

Analog power supply (2.3 V ~ 3.6 V)

44

XTAL_N_NC

-

NC

45

XTAL_P_NC

-

NC

46

VDDA

P

Analog power supply (2.3 V ~ 3.6 V)

47

CAP2_NC

-

NC

48

CAP1_NC

-

NC

 

ESP32-PICO-D4 Features and Specifications

MCU

  • ESP32 embedded, Xtensa® dual-core 32-bit LX6 microprocessor, up to 240 MHz
  • 448 KBROMfor booting and core functions
  • 520 KBSRAMfor data and instructions
  • 16KBSRAMinRTC

Wi-Fi

  • 802.11 b/g/n
  • Bit rate: 802.11n up to 150 Mbps
  • A-MPDU and A-MSDU aggregation
  • 0.4 µs guard interval support
  • Center frequency range of operating channel: 2412 ~ 2484 MHz

Bluetooth®

  • Bluetooth V4.2 BR/EDR and Bluetooth LE specification 1.2 Description
  • Class-1, class-2 and class-3 transmitter
  • AFH
  • CVSDand SBC

Hardware

  • Interfaces: ADC, DAC, touch sensor, SD/SDIO/MMC Host Controller, SPI, SDIO/SPI Slave Controller, EMAC, motor PWM, LED PWM, UART, I2C, I2S, infrared remote controller, GPIO, pulse counter
  • 40MHzcrystal oscillator
  • 8MBSPIflash
  • Operating voltage/Power supply: 3.0 ~ 3.6 V
  • Operating temperature range:–40 ~ 85 °C
  • Dimensions: (7 × 7 × 1.11) mm

 

Where to use ESP32 Wi-Fi & Bluetooth MCU

The ESP32 at the heart of the package has a Tensilica Xtensa dual-core 32-bit LX6 microprocessor, with 448KB of ROM and 520KB of SRAM (including 8KB of RTC memory), and a 1KB eFuse. The SIP module integrates 4MB of SPI Flash memory, although as the ESP32 can support up to 16MB it’s possible we might see that in future revisions. Wireless connectivity support is 802.11 b/g/n/e/i (802.11n up to 150 Mbps), alongside Bluetooth V4.2 (BR/EDR and Bluetooth LE support).

The module interfaces include an SD card, UART, SPI, SDIO, LED PWM, Motor PWM, I2S, I2C, IR, as well as GPIO, capacitive touch sensor, ADC, DAC, and an LNA pre-amplifier. The chip also has two onboard sensors—a Hall sensor to detect magnetic fields, and a temperature sensor. Its small footprint and reduced number of external components make it perfectly suited for wearables and other Internet of Things devices.

ESP32-Pico-D4 Module Interface Circuit

Note: Complete technical details can be found in the ESP32-PICO-D4 datasheet at this page’s end.

 

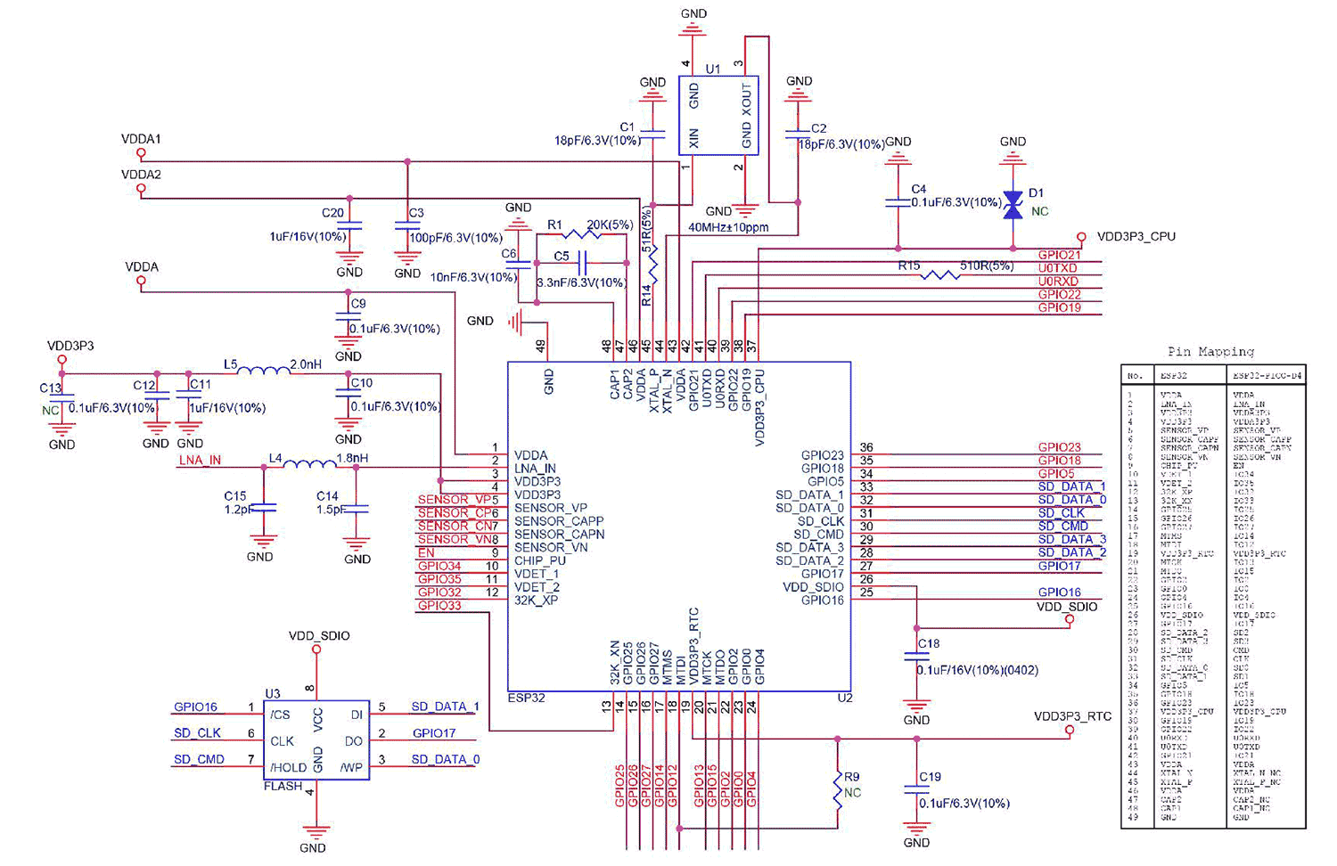
ESP32-PICO-D4 Module Schematics

The schematics below show the internal schematics of ESP32-PICO-D4 SIP.

ESP32-Pico-D4 SIP Schematic Diagram

 

How To Use ESP32-PICO-D4 SIP?

This is the typical application circuit of the SiP connected with peripheral components (for example, power supply, antenna, reset button, JTAG interface, and UART interface).

ESP32-PICO-D4 SIP Peripheral Components

 

Applications

  • Generic Low-power IoT Sensor Hub
  • Generic Low-power IoT Data Loggers
  • Cameras for Video Streaming
  • Over-the-top (OTT) Devices
  • Speech Recognition
  • Image Recognition
  • Mesh Network
  • Home Automation
  • Smart Building
  • Industrial Automation
  • Smart Agriculture
  • Audio Applications
  • Health Care Applications
  • Wi-Fi-enabled Toys
  • Wearable Electronics
  • Retail & Catering Applications

 

2D-Model and Dimensions

If you are designing a PCB or Perf board with this component, then the following picture from the Datasheet will be useful to know its package type and dimensions.

ESP32-PICO-D4-SIP Dimensions

Component Datasheet

Related Post



Join 20K+subscribers

We will never spam you.

* indicates required

Be a part of our ever growing community.