Skip to main content

CH32V003 - 32-bit General Purpose RISC-V MCU

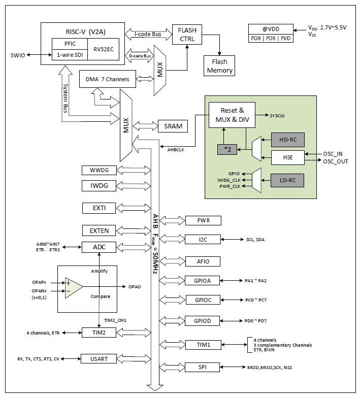
CH32V003 is a general purpose, industrial-standard microcontroller based on the QingKe RISC-V2A core's architecture. With a capability to reach clock frequency of 48MHz, the CH32V003 supports wide operating voltage, streamlined single-wire serial debugging approach, and low-power consumption. They are available in a variety of ultra small packages with a diverse set of peripheral functionalities. Among these are a dedicated DMA controller cluster, a 10-bit ADC unit, an op-amp comparator module, and an assortment of timers. To bolster its versatility, it also supports widely adopted communication platforms such as USART, I2C, and SPI. Its recommended operating voltages are either 3.3V or 5V, and it demonstrates resilience in industrial temperature conditions, ranging from -40℃ to 85℃

 

CH32V003 Pinout

Pin No

Pin name

Pin type

Main function (after reset)

Default alternate function

Remapping function

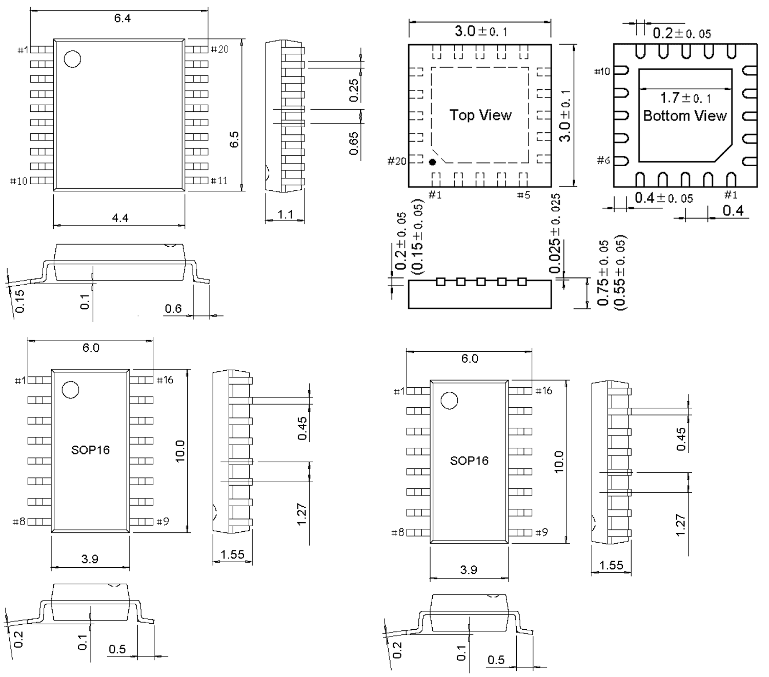
SOP16

TSSOP20

QFN20

SOP8

 

-

0

-

VSS

P

VSS

-

-

8

1

18

8

PD4

I/O/A

PD4

UCK/T2CHIETR1/A7/ OPO

TIETR_2/T1CH4_3

9

2

19

8

PD5

I/O/A

PD5

UTX/A5

T2CH4_3/URX_2

10

3

20

1

PD6

I/O/A

PD6

URX/A6

T2CH3_3/UTX_2

11

4

1

-

PD7

I/O/A

PD7

NRST/T2CH4/OPP1

UCK_1/UCK_2/T2CH4_2

12

5

2

1

PA1

I/O/A

PA1

TICH2/A1/OPN0

OSCI/TICH2_2

13

6

3

3

PA2

I/O/A

PA2

TICH2N/A0/OPPO

OSCO/AETR2_1/TICH2N_2

14

7

4

2

VSS

P

VSS

-

-

-

8

5

-

PD0

I/O/A

PD0

TICHIN/OPN1

SDA_1/UTX_1/TICHIN_2

15

9

6

4

VDD

P

VDD

-

 

16

10

7

-

PC0

I/O

PC0

T2CH3

NSS_1/UTX_3/T2CH3_2 /T1CH3_1

1

11

8

5

PC1

I/O/FT

PC1

SDA/NSS

T1BKIN_1/T2CH4_1 T2CH1ETR(2)2URX_3 /T2CH1ETR1)_3/T1BKIN_3

2

12

9

6

PC2

I/O/FT

PC2

SCL/URTS/T1BKIN

AETR_1/T2CH2_1 /T1ETR_3/URTS_1 /T1BKIN_2

3

13

10

-

PC3

I/O

PC3

TICH3

T1CH1N_1/UCTS_1 /T1CH3_2/T1CH1N_3

4

14

11

7

PC4

I/O/A

PC4

T1CH4/MCO/A2

T1CH2N_1/T1CH4_2 /TICH1_3

-

15

12

-

PC5

I/O/FT

PC5

SCK/T1ETR

/SCL_3/UCK_3/T1ETR_1 /T1CH3_3/SCK_1

5

16

13

-

PC6

I/O/FT

PC6

MOSI

T1CH1_1/UCTS_2/SDA_2 /SDA_3/UCTS_3/T1CH3N_ 3 /MOSI_1

6

17

14

-

PC7

I/O

PC7

MISO

TICH2_1/URTS_2 /T2CH2_3/URTS_3 /T1CH2_3/MISO_1

7

18

15

8

PD1

I/O/A

PD1

SWIO/T1CH3N/AETR2

SCL_1/URX_1/T1CH3N_1 /T1CH3N_2

-

19

16

-

PD2

I/O/A

PD2

TICH1/A3

T2CH3_1/T1CH2N_3 /T1CH1_2

-

20

17

-

PD3

I/O/A

PD3

A4/T2CH2/AETR/UCTS

T2CH2_2/T1CH4_1

 

CH32V003 Other available packages

CH32V003F4P6, CH32V003A4M6, CH32V003F4U6, CH32V003J4M6

CH32V003 Other available packages

 

Features

  • Core
    • QingKe 32-bit RISC-V core, RV32EC instruction set.
    • Fast programmable interrupt controller + hardware interrupt stack
    • Support 2-level interrupt nesting
    • Support system main frequency 48MHz
  • Memory
    • 2KB volatile data storage area SRAM
    • 16KB program memory CodeFlash
    • 1920B BootLoader
    • 64B non-volatile system configuration memory
    • 64B user-defined memory
  • Power management and low-power consumption
    • System power supply VDD: 3.3V or 5V
    • Low-power mode: Sleep, Standby
  • Clock & Reset
    • Built-in factory-trimmed 24MHz RC oscillator
    • Built-in 128KHz RC oscillator
    • High-speed external 4~25MHz oscillator
    • Power on/down reset, programmable voltage detector
  • 1 group of 1-channel general-purpose DMA controller
    • 7 channels, support ring buffer
    • Support TIMx/ADC /USART/I2C/SPI
  • 1 group of OPA and comparator: connected with ADC and TIM2 1 group of 10-bit ADC
    • Analog input range: 0~VDD
    • 8 external signals + 2 internal signals
    • Support external delayed triggering.
  • Multiple timers
    • 1 16-bit advanced-control timers, with dead zone control and emergency brake; can offer PWM complementary output for motor control.
    • 1 16-bit general-purpose timers, provide input capture/output comparison/PWM/pulse counting/incremental encoder input.
    • 2 watchdog timers (independent watchdog and window watchdog)
    • SysTick: 32-bit counter
  • Communication interfaces
    • 1 USART interfaces
    • 1 I2C interfaces
    • 1 SPI interfaces
  • GPIO port
    • 3 groups of GPIO ports, 18 I/O ports
    • Mapping 1 external interrupt
  • Security features: 64-bit unique ID
  • Debug mode: 1-wire serial debug interface (SDI)
  • Package: SOP, TSSOP or QFN

 

CH32V003 Internal Block Diagram

CH32V003 Internal Block Diagram

 

How To Use CH32V003?

This is the typical application circuit of the CH32V003 MCU with bare minimum components. As you can see there are only bare minimum components. Even the External crystal circuit is also optional. CH32V003 can be used with the internal RC clock.

CH32V003 Circuit Diagram

 

Applications

  • Low-cost consumer devices
  • USB gamepads
  • USB controllers

 

2D-Model and Dimensions

CH32V003 2D Model

Component Datasheet

Related Post



Join 20K+subscribers

We will never spam you.

* indicates required

Be a part of our ever growing community.