Skip to main content

BT139 TRIAC

The BT139 is a four-quadrant TRIAC from NXP that can handle medium power switching of loads up to 600V and 16A. With the ability to work in four quadrants, it can switch both positive and negative currents and operate with a positive or negative gate current.

 

BT139 Pinout Description

Pin Number

Pin Name

Description

1

T1

Current in/out

2

T2

Current in/out

3

GATE

Controls conduction between T1 and T2

TAB

T2

Current in/out

 

Features

  • 600V breakdown and 16V continuous current capability
  • Four-quadrant operation
  • Insensitive gate for noise immunity
  • TO-220 package with up to 20W power dissipation

 

Note: Complete technical details can be found in the BT139 datasheet linked at the end of this page.  

 

Other TRIACs:

BTA13x series, BTAxx series, MAC97A

 

How To Use BT139

Unlike SCRs, which can only operate in one direction, TRIACs can switch loads that are both positive and negative. They are basically two SCRs connected antiparallel with their gates connected.

TRIACs have the advantage of being able to operate in all four quadrants – regardless of the direction of current flow, these can be triggered by either a positive or negative gate current. This feature is particularly useful when switching AC loads, since power can be switched during both the positive and negative half-cycles, doubling the power available to the load compared to an SCR.

Like SCRs, TRIACs can also handle much higher currents than rated for short durations, as seen in the graph of ITSM vs pulse width.

TRIAC Graph

 

Applications

  • Motor controllers
  • AC load switching
  • Pulse width modulators
  • Medium power switching

 

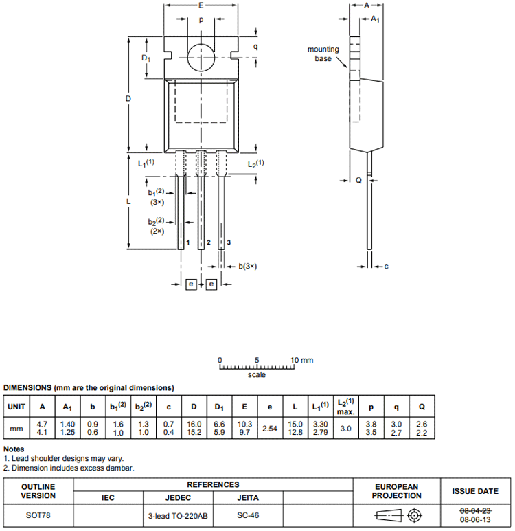
2D Model and Dimensions

BT139 Dimensions

Component Datasheet

Related Post



Join 20K+subscribers

We will never spam you.

* indicates required

Be a part of our ever growing community.