Skip to main content

Arduino Pro Mini

ARDUINO PRO MINI board is one of the application boards. Since it is an application board, it does not have an in-built programmer. USB port and other connectors are also removed. Because once it is placed in an application, programmer and connectors are basically useless.

ARDUINO PRO MINI is of two types; they are differentiated based on CONTROLLER working voltage. One is +3.3V and another is +5V. Choose the appropriate board based on application.

 

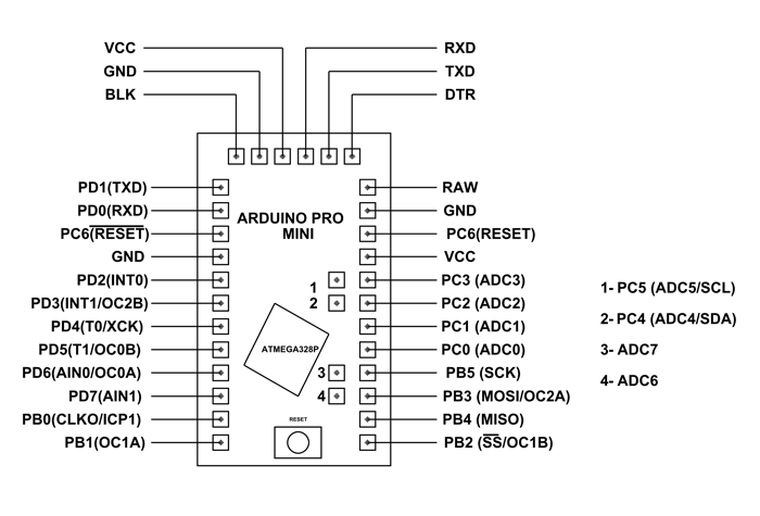
ARDUINO PRO MINI Pinout Configuration

PIN GROUP

PIN NAME

DESCRIPTION

POWER SOURCE

VCC, GND, and RAW

VCC - Connected to +5V or +3.3V

GND – Connected to GROUND

RAW – Connected to Unregulated power supply 5+V to +12V

COMMUNICATION INTERFACE

UART Interface(RXD, TXD)

SPI Interface(MOSI, MISO, SCK, SS )

TWI Interface(SDA, SCL)

UART (Universal Asynchronous Receiver Transmitter) Interface can be used to program PRO MINI

SPI (Serial Peripheral Interface) Interface ban be used to program PRO MINI

TWI (Two Wire Interface) Interface can be used to connect peripherals.

INPUT OUTPUT PINS

PD0 to PD7 (8 pins of PORTD)

PB0 to PB5 (6 pins of PORTB)

PC0 to PC6 (7 pins of PORTC)

ADC6 and ADC7(2 additional pins)

Although these 23 pins have many functions, they can be considered as data I/O pins.

ANALOG to DIGITAL CONVERTER

ADC0, ADC1, ADC2,…ADC7

These channels can be used to input Analog signals. There are of 10 bit resolution.

PWM

OC0A,OC0B,OC1A,OC1B,OC2A,OC2B

These six channels can provide PWM (Pulse Width Modulation) outputs. They are of 8 bit resolution.

RESET

RESET

Resets the controller.

EXTERNAL INTERRUPTS

T0 and T1

These two pins are specially designed hardware interrupts.

ANALOG COMPARATOR

AIN0 and AIN1

These two pins are connected to an internal comparator.

 

ARDUINO PRO MINI Technical Specifications

Microcontroller

Atmega328p – 8 BIT AVR controller

Operating Voltage

5V and 3.3V

Raw Voltage input

5V to 12V

Maximum current through each I/O pin

40mA

Maximum total current drawn from chip

200mA

Flash Memory

32KBytes

EEPROM

1KByte

Internal RAM

2Kbytes

Clock Frequency

3.3V --- 8Mhz

5V --- 16Mhz

Operating Temperature

-40ºC to +105ºC

 

Similar ARDUINO Boards

 ARDUINO UNO, ARDUINO MEGA, ARDUINO NANO, ARDUINO DUE, ARDUINO LEONARDO

 

Other Development Boards

RASPBERRY PI SERIES, INTEL GALILEO, INTEL EDISON, ESP32

 

Where to Use ARDUINO PRO MINI

All the ARDUINO boards are popular because of ease of understanding and application. Also, the ARDUINO is an open source platform where one can get all related data and original module schematics. In this platform, one can customize the system depending on the need. 

There are many ARDUINO boards in the market. They are available with various features and packages. One can choose appropriate board depending on the need.

There are few cases where PRO MINI is chosen over other Arduino boards:

Case1: Where system is permanent installation. In permanent applications, the board only needs to be programmed once, and that is all. In those cases features provided like USB programmer, I/O connectors and other supporting hardware is useless. The PRO MINI is specifically designed for those systems. This board has only basic hardware just enough for those applications.

Case2: For convenience. This board is one of the smallest boards of ARDUINO. With its comfort size, it can be used in mobile applications.

Case3: With basic hardware the cost of board is considerable lesser.

Case4: With 32Kbytes memory, the PRO MINI can accommodate most application programs.

 

How to Use ARDUINO PRO MINI

Using PRO MINI is similar to any other development board. All you need to do is program the controller and provide the appropriate peripheral to get system running. We will discuss the programming of PRO MINI in step by step below.

  1. First you need to get a programmer. As mentioned earlier, the PRO MINI does not have an inbuilt programmer, so you cannot connect PRO MINI directly to PC to program it. Choose either UART or SPI programmer. Preferable UART programmer.
  2. Download and install ARDUINO IDE software. [https://www.arduino.cc/en/Main/Software]
  3. List the functions to be performed by PRO MINI.
  4. Write the functions as program in IDE. Remember the program is written in ‘C’ language.
  5. Connect the programmer and establish a communication between IDE and PRO MINI.
  6. Burn the program to PRO MINI through IDE.
  7. Disconnect the programmer. Provide the power and attach the necessary peripherals. After reset, the control executes the program and provides the desired output.

 

Applications

  1. Hobby projects.
  2. Power supply systems.
  3. IoT applications.
  4. Display systems.
  5. Instrumentation.

 

2D Model and Dimensions

Arduino Pro Mini Dimensions

Component Datasheet

Related Post


Comments


Join 20K+subscribers

We will never spam you.

* indicates required

Be a part of our ever growing community.