Skip to main content

3.5mm Audio Jack (Male)

The audio jacks was invented in the 19th century for the purpose of use in telephone switchboards and still used widely to transfer analog audio signals.

 

35mm Audio Jack Pinout Configuration

Pin No.

Pin Name

Description

1.

Tip

Left

2.

Ring

Right

3.

Ring

Ground

4.

Sleeve

Microphone

 

Brief Description

Now-a-days 3.5mm is the universal audio jack size to be found in Smartphones, PC and Laptops. Also, for hobbyists 3.5mm audio jack is a useful components for projects that plug into headphone jacks. There are different types of 3.5mm audio jack available with different application like TS, TRS, and TRRS, but the most common that we see in daily life is TRS and TRRS. 

 

Types of 3.5mm Jack

1. TS Type Male Audio jack

These types of audio jacks does not support stereo sound and microphone, which means there is no left and right. You will get same sound from both the sides. Below is the pinout of TS type male audio jack.

Application: Still used on musical equipment (especially in electric guitars) and aviation radios.

TS Audio Jack Pinout

 

2. TRS Type Male Audio jack

Here, in the name of TRS, ‘T’ stands for Tip, ‘R’ stands for Ring and ‘S’ stands for Sleeve. These types of audio jacks supports stereo sound and but doesn’t supports microphone. So, using this you can only listen music but can’t talk on calls. Below is the pinout of TRS type male audio jack.

TRS Audio Jack Pinout

Application: Speakers, microphone, keyboards and etc.

 

3. TRRS Type Male Audio jack

A TRRS type audio jack have four conductors and are most popular with smartphones and tablets. The sequence of TRRS type audio jack is Tip-Ring-Ring-Sleeve and it includes both stereo and microphone functionality. There are number of standards to be used while making these audio jacks such as OMTB and CTIA. This is the reason behind your smartphone doesn’t supports other brands of headphone. Below is the pinout of TRS type male audio jack.

TRRS Audio Jack Pinout

Application: Used in many branded companies headphones like Apple, Nokia, Samsung, Panasonic and etc.

 

How to Use a Audio jack?

For using a 3.5mm audio male jack for your projects or Prototypes, you have to solder wires with the pins of the jack. Remove the above plastic casing and you will see the pins of the jack as shown in the images above. Now use multi-strand wires to solder with the pins and then again cover it with the Plastic casing.

 

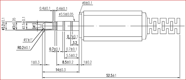
2D-Model

3.5mm Audio Jack 2d-model

Component Datasheet

Related Post



Join 20K+subscribers

We will never spam you.

* indicates required

Be a part of our ever growing community.