Skip to main content

16x2 LCD Module

16x2 LCD modules are very commonly used in most embedded projects, the reason being its cheap price, availability,  programmer friendly and available educational resources. 

 

16x2 LCD Pinout Configuration

Pin No:

Pin Name:

Description

1

Vss (Ground)

Ground pin connected to system ground

2

Vdd (+5 Volt)

Powers the LCD with +5V (4.7V – 5.3V)

3

VE (Contrast V)

Decides the contrast level of display. Grounded to get maximum contrast.

4

Register Select

Connected to Microcontroller to shift between command/data register

5

Read/Write

Used to read or write data. Normally grounded to write data to LCD

6

Enable

Connected to Microcontroller Pin and toggled between 1 and 0 for data acknowledgement

7

Data Pin 0

 

 

Data pins 0 to 7 forms a 8-bit data line. They can be connected to Microcontroller to send 8-bit data.

These LCD’s can also operate on 4-bit mode in such case Data pin 4,5,6 and 7 will be left free.

8

Data Pin 1

9

Data Pin 2

10

Data Pin 3

11

Data Pin 4

12

Data Pin 5

13

Data Pin 6

14

Data Pin 7

15

LED Positive

Backlight LED pin positive terminal

16

LED Negative

Backlight LED pin negative terminal

 

HD44780 LCD Features and Technical Specifications

  • Operating Voltage is 4.7V to 5.3V
  • Current consumption is 1mA without backlight
  • Alphanumeric LCD display module, meaning can display alphabets and numbers
  • Consists of two rows and each row can print 16 characters.
  • Each character is build by a 5×8 pixel box
  • Can work on both 8-bit and 4-bit mode
  • It can also display any custom generated characters
  • Available in Green and Blue Backlight

 

16x2 LCD Display Equivalents

Dot Matrix LED Display, 7-Segment LED Display, OLED Display, TFT LCD Screen Display

 

Brief Description on LCD modules

16×2 LCD is named so because; it has 16 Columns and 2 Rows. There are a lot of combinations available like, 8×1, 8×2, 10×2, 16×1, etc. but the most used one is the 16×2 LCD. So, it will have (16×2=32) 32 characters in total and each character will be made of 5×8 Pixel Dots.  A Single character with all its Pixels is shown in the below picture.

16x2 LCD Pixel

Now, we know that each character has (5×8=40) 40 Pixels and for 32 Characters we will have (32×40) 1280 Pixels. Further, the LCD should also be instructed about the Position of the Pixels. Hence it will be a hectic task to handle everything with the help of MCU, hence an Interface IC like HD44780 is used, which is mounted on the backside of the LCD Module itself. The function of this IC is to get the Commands and Data from the MCU and process them to display meaningful information onto our LCD Screen. You can learn how to interface an LCD using the above mentioned links. If you are an advanced programmer and would like to create your own library for interfacing your Microcontroller with this LCD module then you have to understand the HD44780 IC working and commands which can be found its datasheet.

 

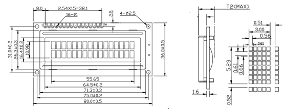
2D Model of 16×2 LCD module

16x2 LCD 2D Model

Component Datasheet

Related Post



Join 20K+subscribers

We will never spam you.

* indicates required

Be a part of our ever growing community.